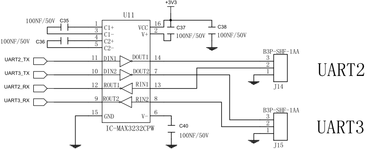
1.电路原理图如下图,电容配置(5个全是100nf)。这两个端口J14/J15,单独接负载(一个是我们自研电路板,另一个是串口打印机)时,串口均正常。自研电路板或串口打印机同时接时,自研电路板收到乱码。
2.测量波形如下:
3.把电路中5个100nf电容都改为1uf后,干扰消失,串口均正常。而手册推荐也是100nf,请帮忙分析原因
This thread has been locked.
If you have a related question, please click the "Ask a related question" button in the top right corner. The newly created question will be automatically linked to this question.
1.电路原理图如下图,电容配置(5个全是100nf)。这两个端口J14/J15,单独接负载(一个是我们自研电路板,另一个是串口打印机)时,串口均正常。自研电路板或串口打印机同时接时,自研电路板收到乱码。
2.测量波形如下:
3.把电路中5个100nf电容都改为1uf后,干扰消失,串口均正常。而手册推荐也是100nf,请帮忙分析原因