Other Parts Discussed in Thread: TLK105, DP83822IF
测试主板发现网口不良
分析过程:
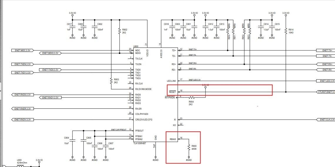
1.测试不良板子U800的各PIN脚的电压,跟好机对比发现U800 16PIN RBIAS无电压(正常板子有1.2v)
2.检查外围电阻R800电阻正常,U800 16PIN 对地正反向阻值正常。
3.不停的重复上电,发现有时U800 16PIN电压正常,且U800 16PIN电压正常时能正常读出IP地址。
4.这种不良更换U800也会OK.只是重复上电产生不良的概率有改善。
请问这大概什么原因造成的呢?找了TLK105相关资料,但针对RBIAS这块描述太少
