Part Number: TSB41BA3B-EP
大家好! 我现在使用1394的物理层芯片,如TSB41BA3B-EP(或者其他型号物理层芯片也可以)。 我想将从TPA /B0收到的数据直接从TPA / B1或TPA / B2传送出去,而不通过链路层。
我想问一下如何配置特定的引脚来实现这个功能?
This thread has been locked.
If you have a related question, please click the "Ask a related question" button in the top right corner. The newly created question will be automatically linked to this question.
Part Number: TSB41BA3B-EP
大家好! 我现在使用1394的物理层芯片,如TSB41BA3B-EP(或者其他型号物理层芯片也可以)。 我想将从TPA /B0收到的数据直接从TPA / B1或TPA / B2传送出去,而不通过链路层。
我想问一下如何配置特定的引脚来实现这个功能?
您好,根据1394协议,即使链路未上电或者不存在,所有的PHY也会自动在所有端口之间转发报文,不需要额外配置,在总线复位阶段,PHY会自动检测总线拓扑。只有当数据包被定向给PHY时,PHY才会告诉链路层数据包的信息。 您可以参考下面这个帖子,跟您的问题类似:
e2e.ti.com/.../tsb41ba3b-ep-1394-phy-configuration
您好,链接没有成功,再重新发一次:
https://e2e.ti.com/support/interface-group/interface/f/interface-forum/689306/tsb41ba3b-ep-1394-phy-configuration
您好,您参考下英文论坛上这个帖子,并且也附上了1394的设计指南:
https://e2e.ti.com/support/interface-group/interface/f/interface-forum/689306/tsb41ba3b-ep-1394-phy-configuration
您好,单个PHY的中继功能驱动能力不够吗?为什么要在输入或输出再加上变压器驱动?
或者附上您的电路,我这边再帮您确认下。
您好,能否具体描述下您的应用,比如需要多长距离传输,不能稳定报文转发,或者无报文转发时,是多长距离测试的,在输入还是输出加变压器驱动出现的问题?
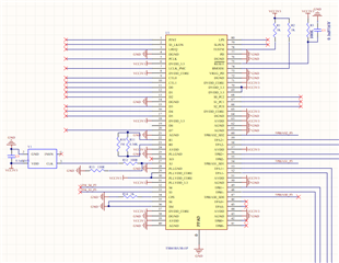
您好,单个PHY在repeater mode下的设置如下。 比如Pin80的LPS引脚需要下拉1Kohm电阻,我看电路里LPS悬空了。

1394的终端阻抗电阻为110+-10ohm。 建议是在靠近接收端加上,实现信号完整性。
多个PHY通讯的时候,在附件中design guide中Page21 有描述:

您好,我看您这边回复了1,是目前调试遇到了什么问题了吗?