Part Number: AM26LV32
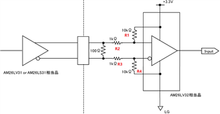
下图电路图中R1,R2,R3,R4电阻的值怎么计算?

This thread has been locked.
If you have a related question, please click the "Ask a related question" button in the top right corner. The newly created question will be automatically linked to this question.
您好,您这个图是哪里的?
我看数据手册上driver和recevier端的连接,只需要加100ohm终端匹配电阻即可。

单位里面还多的电路图是这么应用的,
静态时候,计算A,B(接收器的输入)电压,下图的计算过程是否正确呢

您好,我算了下,和您的结果相同,图中Va和Vb的式子没有问题。
不好意思,是的,附件已更新。