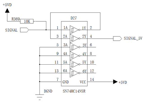
现象1:在电路板上调试时发现,在施密特触发器反相器SN74HC14NSR的1号管脚输入VL = 0V,VH = 5V,f = 40kHz的方波,用示波器在14号管脚测得约1.6V的直流电平,电路如图1所示。
图1 SN74HC14NSR电路(去耦电容未画出)
现象2:单独在一个SN74HC14NSR芯片(未焊接到电路板)的1号管脚输入VL = 0V,VH = 5V,f = 40kHz的方波,用示波器在14号管脚测得VL = -1V,VH = 3.2V,f = 40kHz的方波。
另,使用万用表测量1号管脚与Vcc和GND之间的阻抗,大于2MΩ。
请问是什么原因导致上述现象?是否是所有施密特触发器反相器芯片的固有特性?如果能从施密特触发器反相器的内部结构来说明就更好了。
