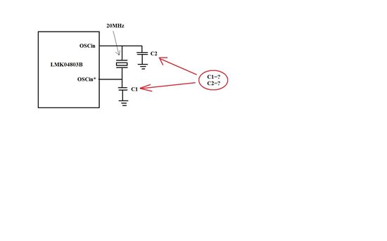
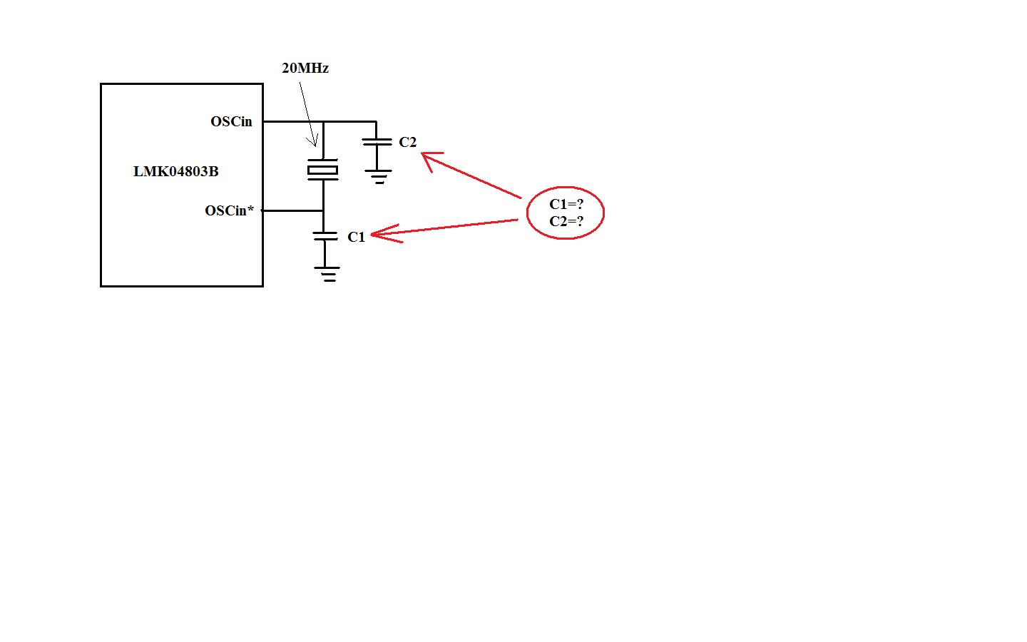
LMK04803B的OSCin/OSCin*输入端,使用Crystal作为频率源,那么Crystal两端并联的电容,其容值如何确定呢
This thread has been locked.
If you have a related question, please click the "Ask a related question" button in the top right corner. The newly created question will be automatically linked to this question.
首先查看crystal的Spec,看其负载电容Cl的大小,然后根据Cl=C1*C2/(C1+C2),通常我们选择C1=C2从而确定电容值。