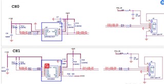
我们有使用到tusb2e22 这颗芯片,焊接不良较多。想做下USB-eUSB2 的FCT治具。但是没有合适的eUSB device,所以用了LEVEL SHIFT不工作。
你们可以推荐下测试方法吗?
1,这个测试方法原理图是?

2,LEVEL SHIFT 不工作。

3,或者推荐下eusb device ?
This thread has been locked.
If you have a related question, please click the "Ask a related question" button in the top right corner. The newly created question will be automatically linked to this question.


您好,抱歉这颗中继器的测试方法我这边也没有找到。
您参考下这个帖子中的关于TUSB2E22的信号测试的讨论,希望对您有所帮助:
谢谢你的回复!你能推荐1颗支持eUSB2的MCU或者SOC 芯片吗?
您好,抱歉好像没有,我在MCU的选型链接里没有找到能支持eUSB2的MCU芯片呢。
或者您在”微控制器“板块咨询下我们的MCU工程师呢。
好的,多谢!最后一个问题,那么终端客户购买这个TUSB2E22 用在什么场合呢?既然你们也没有卖这颗支持ESUB2 的MCU或者SOC,是在其他厂家买的吗?
您好,TUSB2E22 是一颗eUSB2转USB2.0的repeater器件,或者说是一款USB转接驱动器/中继器,桥接器件。我们如果没有支持eUSB2.0的Soc,但是如果客户使用了其他厂家支持eUSB2.0的Soc,需要和USB2.0的器件通信,就可以考虑使用这种eUSB2转USB2.0的器件进行中转。
它的用法如下:
