
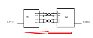
我司的一个项目硬件上的连接如上图所示,要实现从948的D_GPIO0中输入一个3.2Mhz的波形。941的D_GPIO0需要跟随948的D_GPIO0。
现在遇到的问题是用示波器测量948的D_GPIO0有波形输入,但941的D_GPIO0一直是低电平。
请问要实现这个功能,941/948需要配置哪些寄存器?
This thread has been locked.
If you have a related question, please click the "Ask a related question" button in the top right corner. The newly created question will be automatically linked to this question.

我司的一个项目硬件上的连接如上图所示,要实现从948的D_GPIO0中输入一个3.2Mhz的波形。941的D_GPIO0需要跟随948的D_GPIO0。
现在遇到的问题是用示波器测量948的D_GPIO0有波形输入,但941的D_GPIO0一直是低电平。
请问要实现这个功能,941/948需要配置哪些寄存器?
您好,您是dual link应用吗?D_GPIO需要在dual link mode下应用。
或者941 Splitter Mode 或者Independent 2:2 模式下,也是可以透传D_GPIO的,应用如下:
