分辨力是1280*960的
接948时正常显示如下:

但是接940的时候未配置940寄存器,默认上电显示就变成如下这样了

940那边我们配置940的pattern的时候是有显示的,请帮忙看下,940搭配947的时候,940这边需要配置什么吗,谢谢!
This thread has been locked.
If you have a related question, please click the "Ask a related question" button in the top right corner. The newly created question will be automatically linked to this question.
分辨力是1280*960的
接948时正常显示如下:

但是接940的时候未配置940寄存器,默认上电显示就变成如下这样了

940那边我们配置940的pattern的时候是有显示的,请帮忙看下,940搭配947的时候,940这边需要配置什么吗,谢谢!
您好,940输出的是MIPI CSI的信号,而948输出的是openLDI信号,所以和948 显示屏能点亮,说明显示屏的接口是openLDI的,而和940接的话,需要CSI-2的显示接口呢。
947和940搭配使用,也不需要什么特殊的配置,二者也是互相兼容的。
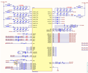
我担心是硬件上的问题,比如940 MODE_SEL[1:0]是怎么连接的?
另外和947搭配使用,data path是什么模式,比如下面四种模式工作在哪种模式?


MODE SEL这里是需要按照数据手册的配置去连接的,我电脑目前有点儿问题,不能打开数据手册,但我看您的电路MODE SEL
的上拉电阻都是没接的,自适应是的对信号的均衡处理,但是工作在什么模式,比如1lane FPD input,4lane MIPI output是需要硬件配置的

抱歉回复晚了,您的问题 解决了吗?
从电路上来看,MODE_SEL0和(MODE_SEL1这两个引脚接的不对,这两个引脚决定了工作模式,您参考下Table 7和Table8,分别列出了不同工作模式下的上下拉阻值,我看您电路中的阻值不对
