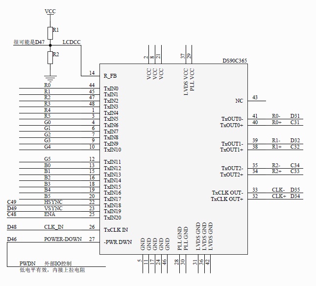
CPU用的是3359,LCD接口是D0-D15,可是这个是18位的,应该如何连接呢?(D11-D15 RED,D0-D4 BLUE,D5-D10 GREEN)
This thread has been locked.
If you have a related question, please click the "Ask a related question" button in the top right corner. The newly created question will be automatically linked to this question.