你们好!
我用的DP83640和MCU做以太网通信,但是我的网口不能工作,就是插上网线是,网口的灯不亮,
还有就是不能初始化,一开始我的单片机要向83640读取的数据不对,要么是0000要么就是FFFF,程序始终停在这一步不能继续往下跑了。
这是为什么啊……?
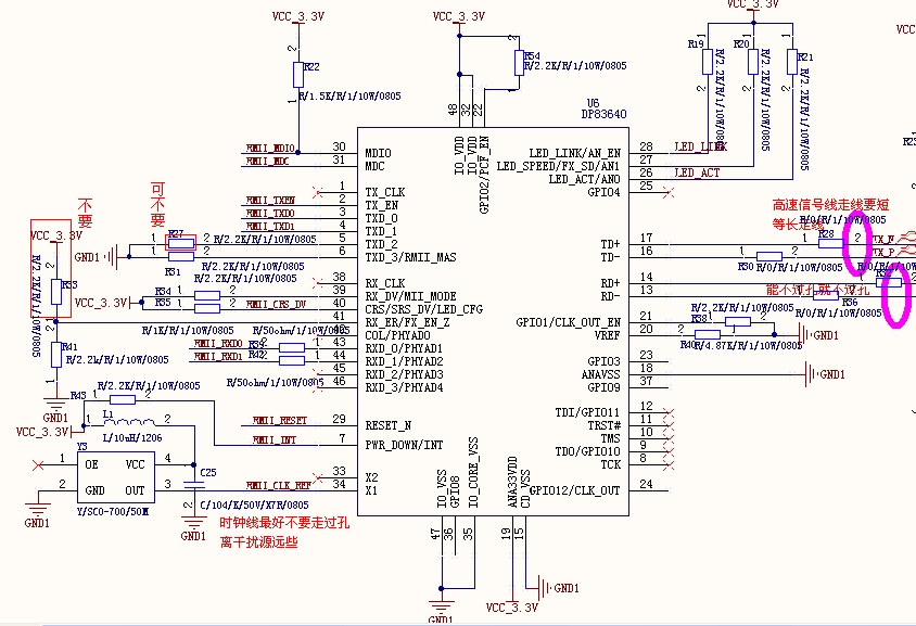
原理图如下所示!其中TX和RX线上的0Ω电阻已去掉,41脚的下拉也已去掉,求指点……!谢谢了…………!
This thread has been locked.
If you have a related question, please click the "Ask a related question" button in the top right corner. The newly created question will be automatically linked to this question.
你们好!
我用的DP83640和MCU做以太网通信,但是我的网口不能工作,就是插上网线是,网口的灯不亮,
还有就是不能初始化,一开始我的单片机要向83640读取的数据不对,要么是0000要么就是FFFF,程序始终停在这一步不能继续往下跑了。
这是为什么啊……?
原理图如下所示!其中TX和RX线上的0Ω电阻已去掉,41脚的下拉也已去掉,求指点……!谢谢了…………!
如果连接不正常的话,那肯定是硬件上还有不对的地方。
你可以参考这篇帖子里面的电路,对应检查下你的电路。
你好!电路图我已比较了,我的电路没有接42(COL)引脚上拉,不过我用的RMII模式时,这个脚好像是不用接的,还有第22号(GPIO2/PFC_EN)引脚,这个脚我看你们没有接,不太理解这个脚具有什么意义,能不能顺便解释下?
对于网口的LED灯点亮的原理是什么样的,是不是当有网线插入时,83640就会检测到,然后将相应的LED引脚拉低,是这样的吗?
望指教……!谢谢了!