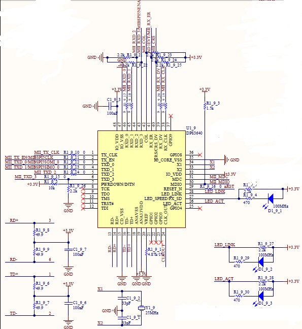
你好,我最近使用TI的TMS570系列做了块板子,但是网口部分至今无法PING通,不知何原因,所用的网口驱动在开发板上是没问题的,但是自己的板子上就不行。目前来看,我采用的是100Mbps,MII模式,但是上电后LED_Link和LED_ACT两端口的指示灯都不亮,测试端口输出都为高电平,只有LED_SPEED正常。由于本人第一次调试网口,经验不足,能帮忙看看是哪里出了问题么?
This thread has been locked.
If you have a related question, please click the "Ask a related question" button in the top right corner. The newly created question will be automatically linked to this question.
灯不亮,那你看下LED控制寄存器0x18 bit9和10的值是0还是1?0的话表示Enable LED_LINK/ACT output,1的话表示disable。