Other Parts Discussed in Thread: TDP142
SN75DP130支持的最大传输速率是5.4Gbps,是否有支持8.1Gbps的I类似C推荐,最好封装类似的?
This thread has been locked.
If you have a related question, please click the "Ask a related question" button in the top right corner. The newly created question will be automatically linked to this question.
您好,参考TDP142这款DP redriver,速率能支持8.1Gbps。具体可参考下它的datasheet:
您好!我看了相关的Datasheet,关于应用有source和sink两种,这一块不是很清楚,对于我的项目是主机送DP信号给TDP142,然后转给FPGA,这种类型是属于source还是sink?
对于我的项目是主机送DP信号给TDP142,然后转给FPGA
主机属于source,FPGA是sink。这种就是属于source端应用。就是补偿从主机到TDP142这部分。类似datasheet中Figure16的应用。
像Figure 17中的应用,TDP142放在sink和scaler之间,那就是属于sink应用,可以看到是DP receptacle是sink,它距离TDP142的trace更长一些。。

了解,谢谢,请教Sink的应用可以举一个例子吗?方便对这个应用的差异的理解
Figure17就是sink应用的例子呢。DP receptacle作为sink,可以看到TDP142用在sink和scaler之间,length C要长于lengthD,补偿由于DP receptacle输出的trace比较长导致的损耗。FIgure16是补偿host输出trace比较长导致的损耗,所以是source的应用。
这是因为TDP142是在接收端集成EQ,也就是说补偿由于pcb trace或者cable造成的衰减,对其进行ISI jitter的补偿。
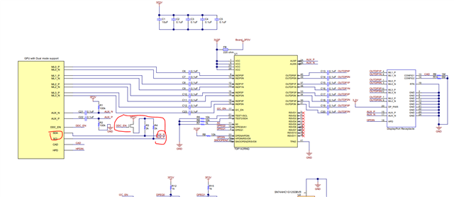
Dear Kailyn;我看TDP 142的推荐图中GPU接口中的SCL和SDA两个Pin连接AUX_N和AUX_P的作用是什么?谢谢!

您好,这个取决于GPU是否的I2C是否支持AUX通道,有些GPU的I2C支持DDC,有些GPU的I2C支持AUX,从而使得source和sink端通过AUX通道进行通信。