ISO5500是TI的一款IGBT驱动芯片,高达2.5A的峰值输出电流,能驱动高达150A/600V的IGBT,可应用在电机控制、变频器、UPS等设备中驱动IGBT,采用电容隔离技术进行隔离,它与安华高的HCPL-316J以及仙童的FOD8316管脚、封装、功能一致,故可直接替换,不同的是HCPL-316J和FOD8316采用的是光耦隔离,ISO5500采用的是电容隔离。
ISO5500的内部电路图如下
电容隔离耦合器:IGBT驱动容耦 ISO5500
ISO5500是TI的一款IGBT驱动芯片,高达2.5A的峰值输出电流,能驱动高达150A/600V的IGBT,可应用在电机控制、变频器、UPS等设备中驱动IGBT,采用电容隔离技术进行隔离,它与安华高的HCPL-316J以及仙童的FOD8316管脚、封装、功能一致,故可直接替换,不同的是HCPL-316J和FOD8316采用的是光耦隔离,ISO5500采用的是电容隔离。
ISO5500和HCPL-316J、FOD8316这些光耦一样,具有对IGBT的一系列的保护功能。 欠压闭锁电路(UVLO):监测电源电压,防止电源电压在低于12V时对IGBT进行驱动,从而使IGBT工作在线性区,过热损坏IGBT。
DESAT检测:检测IGBT的漏极电流,对IGBT实现过流保护,当IGBT漏极电流过大,ISO5500将实行软关断开关闭输出。
故障反馈:ISO5500内部集成一个反馈通道,当IGBT过流时,DESAT故障信号通过反馈通道将信号反馈至输入端FAULT,同时关断输入信号。
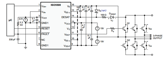
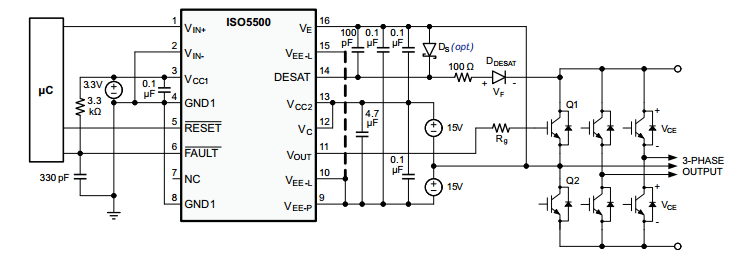
下图显示了采用ISO5500驱动一颗IGBT的示意图,采用6颗便可实现对整个模块的驱动,用于控制电机之类的。

