Other Parts Discussed in Thread: NE555
NE555
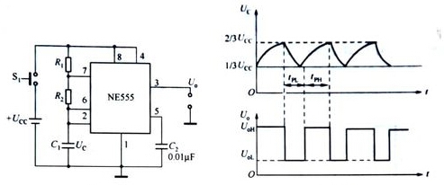
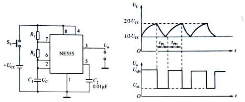
NE555的作用范围很广,但一般多应用于单稳态多谐振荡器(Monostable Mutlivibrator)及无稳态多谐振荡器(Astable Multivibrator)。下面是NE555的典型应用电路。多谐振荡器电阻R1、R2和电容C1构成定时电路。定时电容C1上的电压UC作为高触发端TH(6脚)和低触发端TL(2脚)的外触发电压。放电端D(7脚)接在R1和R2之间。电压控制端K(5脚)不外接控制电压而接入高频干扰旁路电容C2(0.01uF)。直接复位端R(4脚)接高电平,使NE555处于非复位状态。多谐振荡器的放电时间常数分别为tPH≈0.693×(R1+R2)×C1tPL≈0.693×R2×C1振荡周期T和振荡频率f分别为T=tPH+tPL≈0.693×(R1+2R2)×C1f=1/T≈1/[0.693×(R1+2R2)×C1]
原理图如下


