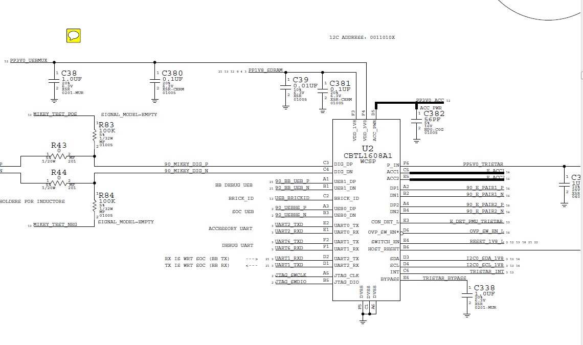
你好!我这边需要这个USB的链接IC,THS7383A1YKAR, 100K。麻烦技术帮忙看一下有没有可以替代的,QQ:390274560,非常感谢!
This thread has been locked.
If you have a related question, please click the "Ask a related question" button in the top right corner. The newly created question will be automatically linked to this question.
这款器件在TI的官网上已经查不到了,应该已经停产,能否把这款的datasheet传上来看下也方便找类似功能的替代产品。
单看这个电路图,里面有USB差分对信号,UART信号,还有通信接口I2C,但具体芯片的datasheet还未找到,这样吧,你能说下你的应用吗,需要什么类型的芯片,也方面给你选型。