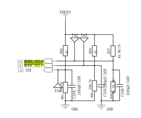
屏幕有一定的概率上电后出现花屏。经过对比发现花屏时948的MODE_SEL0(0x37)锁存的值是错的。
重写FPD_OUT_MODE(0x49)后,可以恢复正常。我们想搞清楚MODE_SEL0为什么会出现锁存异常?

This thread has been locked.
If you have a related question, please click the "Ask a related question" button in the top right corner. The newly created question will be automatically linked to this question.
屏幕有一定的概率上电后出现花屏。经过对比发现花屏时948的MODE_SEL0(0x37)锁存的值是错的。
重写FPD_OUT_MODE(0x49)后,可以恢复正常。我们想搞清楚MODE_SEL0为什么会出现锁存异常?

通过MODE_SEL1和MODE_SEL0的配置,应该是#5 dual OLDI输出。
0x37 读出来是什么值?
重写FPD_OUT_MODE(0x49)后,可以恢复正常
0x49不需要重写,一旦上电后, MODE_SEL0和 MODE_SEL1硬件的配置会自动加载到0x49寄存器,也就是说0x49的默认值是根据stap pin MODE_SEL0和 MODE_SEL1的配置决定的。
只要硬件 MODE_SEL0和 MODE_SEL1没问题,读取0x49的值和 MODE_SEL0和 MODE_SEL1的配置是一样的。
抱歉上周请假,回复晚了。
不知您的问题怎么样了?上电0x37锁存错误是不正常的,我想确认下,锁存错误的948的上电时序是不是符合上电时序要求?
参考9.2 Power Sequence的时序图,用示波器去测试下它的上电时序,尤其是保证当所有VDDx电压起来之后再将PDB拉高。
上电时序没问题之后,再去读0x37这个寄存器的值看是否还是异常。