This thread has been locked.

If you have a related question, please click the "Ask a related question" button in the top right corner. The newly created question will be automatically linked to this question.

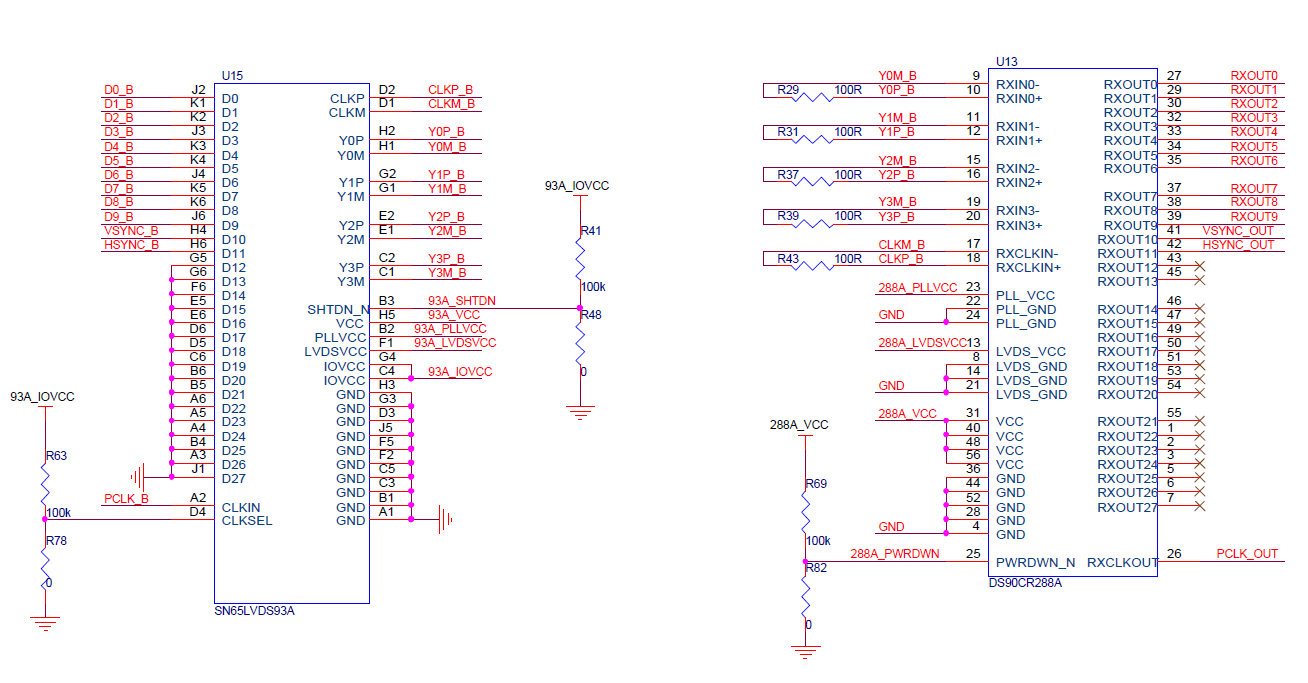
SN65LVDS93ADGG能否替代DS90C385AMT

Other Parts Discussed in Thread: SN65LVDS93A, DS90CR285, SN65LVDS94, DS90CF386, DS90CR288A, SN65LVDS93

我用DS90C385AMT做的线路板,后来发现这颗料温度特性不是很好,想找个能适用于低温的,找到SN65LVDS93ADGG,想在不改动PCB的情况下,之替换IC,不知这样可行?看手册,这两颗料的管脚定义都一样,封装也一样