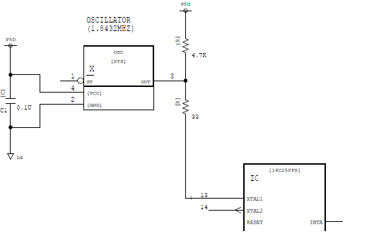
我想在TL16C2550PFB的XTAL1端连接一个1.8432M的晶振(参考回路如下),但是晶振的输出负载参数(负载电容)是否和TL16C2550PFB匹配不知道如何判断。
能给些建议吗?
注:TL16C2550PFB的XTAL2端不连接,晶振只连接TL16C2550PFB的XTAL1端。
参考设计回路如下:

This thread has been locked.
If you have a related question, please click the "Ask a related question" button in the top right corner. The newly created question will be automatically linked to this question.