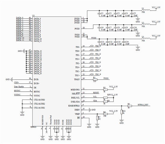
配置时按照数据手册,使用的是I2C模式,I2C程序用在别的芯片上好使,但按照手册对TFP410配置时,始终配置不良,求指导,是硬件哪里配置有问题吗?
sda,scl都有5k上拉,上电后复位RST管脚,供电都是3.3V
This thread has been locked.
If you have a related question, please click the "Ask a related question" button in the top right corner. The newly created question will be automatically linked to this question.
配置时按照数据手册,使用的是I2C模式,I2C程序用在别的芯片上好使,但按照手册对TFP410配置时,始终配置不良,求指导,是硬件哪里配置有问题吗?
sda,scl都有5k上拉,上电后复位RST管脚,供电都是3.3V
原理图中的PD引脚低有效,需要拉高才能正常工作,否则进入低功耗状态。
我看一下啊,通常来说PD引脚拉高,或者说TFP410正常工作状态下,一旦PD拉低,器件虽进入低功耗状态,但I2C还处于active的工作状态,也就是说,PD从高到低变化的话,I2C不会收到影响,我再看下。
看了下,应该是这样的:
TFP410上电开始到电压稳定的这段时间,ISEL/RST这个引脚应该是个由低到高的变化过程,相当于reset的时序。
当power 稳定了,ISEL/RST为高,I2C enable。PD下拉。
Notes: 由于寄存器PD的默认值就是0,所以如果I2C开始就enable(ISEL/RST为高,而不是一个由低到高的变化过程)或者I2C reset的话,那么TFP410也是出于power down状态。
因此你可以先确认下ISEL/RST从上电开始到power 稳定这段时间的时序,或者直接将ISEL/RST接到主控的reset引脚,而不是直接上拉。
接到主控reset上I2C可以控制了,想再问一下,如果正常驱动下电路板不接显示器,是不是在输出端用示波器测不出数据?谢谢
不接显示器用示波器也能测到输出端有信号的,目前你测不出DVI的输出信号?
是,用的是内部产生DE,然后I2C读行场脉冲数也和我设的差不多,但是输出端测不到任何数据
检查下寄存器CTL_1_MODE bit0 的PD 是否配置为1.
是否是当DE为高时,芯片开始编码三路差分,然后在输出端能测到?
是的,当DE为高的时候,开始编码data 数据,即RGB信号,当DE为低的时候,开始编码控制信号,即HSYNC,VSYNC,以及CTL[1:3].
时钟频率是150MHz,时钟高电平时是3.3V,低电平是0
是很奇怪,电路没问题,输入信号用示波器测量都没问题吧?采用的是24bit RGB输入还是12bit输入?
12bit,上升和和下降沿都锁存,由于I2C enable,所以需要再检查下控制寄存器的值,寄存器CTL_1_MODE (Sub-Address = 08)中需要注意:
bit0=1(Normal operation),bit2=0(12bit dual edge) ,bit6=0(TMDS enabled)