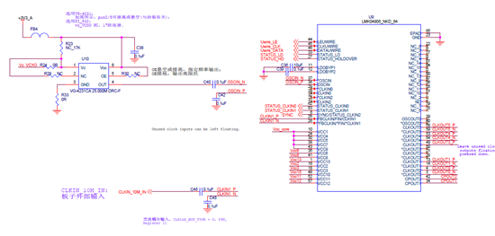
参考TI的开发板电路做了一块时钟板,通过FPGA控制LMK04906,压控晶振选用VG-4231,25MHz,输出为LVCMOS输出。电路原理图和环路滤波器如图所示。
【工作设置】:LMK04906工作模式设置为pll2 int VCO(单PLL模式),OSCin输入25MHz,设置输出为CLKOUT0/CLKOUT1为1.2GHz,CLKOUT4/CLKOUT5为2.4GHz,CLKOUT3输出OSCin。设置如图所示,具体详见附件所附。
【问题描述】:测得CLKOUT3输出25MHz,功率为8dBm左右。CLKOUT0/CLKOUT1输出1.2GHz,功率1dBm左右,其谐波2.4GHz,功率-12dBm左右。CLKOUT4/5输出2.4GHz,功率却为-30dBm左右。我通过readback读出来寄存器值与写入的一致。
希望能帮忙看看设置上有啥问题没有啊?


