Part Number: SN65DP159
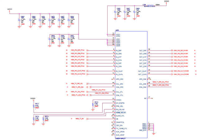
Hi,想確認底下SN65DP159RGZT & TMDS181IRGZT設計是否Ok. 還請comment.



This thread has been locked.
If you have a related question, please click the "Ask a related question" button in the top right corner. The newly created question will be automatically linked to this question.