请注意,本文内容源自机器翻译,可能存在语法或其它翻译错误,仅供参考。如需获取准确内容,请参阅链接中的英语原文或自行翻译。
器件型号:TLV2333
工具/软件:
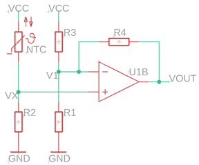
我当时查看了以下应用手册、想找到计算 Vout 的过程。 我使用以下设计进行计算:

我使用的过程如下:

我知道我忘记使用等式 Vx = V1、但无论如何、第一项的分数为 R4/R1+R4+R3、与应用手册公式中出现的((R1//R3)+R4)/(R1//R3)完全不同(我知道指标不同、请记住、我遵循了第一张图中显示的设计)。 有人能解释我做了什么错误,或者如果他们使用了一些奇怪的身份,我还不知道吗? 「我希望你能帮我!