主题中讨论的其他器件: OPA2392、TLV9052、 TINA-TI
工具/软件:
您好、
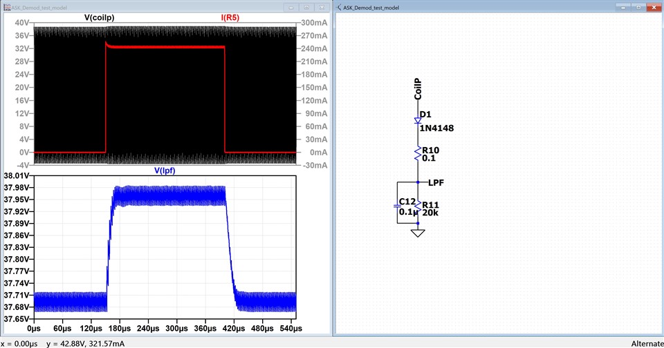
我必须为其中一个无线充电项目设计一个异步 ASK 解调电路、其中叠加在发送器电压上的接收器数据需要通过测量发送器线圈电压进行解调。 我还 在上面的波形中附加了发送器线圈电压和接收器数据的仿真结果、结果表明电压幅度略有变化。 然后将该电压提供给包络检测器、然后是低通滤波器、其中显示了与其标称值(下图)相差近 300mV 的电压差。 为了进一步解码该信号、我需要设计一个放大器电路以及可提供足够振幅电平的其他滤波电路。 我尝试搜索放大器运算放大器 IC 并得到了“OPA2383"。“。
因此、我想问所选的 IC 是否适合我的应用、如果不适合我可以使用什么替代 IC。 此外、我想为放大器电路设计合适的滤波电路、并且刚刚加入该领域、因此可以直接通过任何工具来设计您可以提出建议的放大器。 这将是一个很大的帮助!
注意
Vivek

