工具/软件:
您好:
我们目前正在使用 LM158AWG/883 在我们的电路中、复制(稍作修改)您在应用手册中建议的实现方案:
“航天级 100krad–2.5V 分立式负 LDO 线性稳压器电路。“
我们有一个关于的问题 –0.3V 最小输入电压 指定的输出电压。
我们并不完全理解该值、因此我们期望同相输入上的最小输入电压为 0V、最大输入电压等于正电源电压。
您能帮助我们澄清这一点吗?
非常感谢您的帮助。
此致、
Elisa Rodriguez de la Rosa.
This thread has been locked.
If you have a related question, please click the "Ask a related question" button in the top right corner. The newly created question will be automatically linked to this question.
工具/软件:
您好:
我们目前正在使用 LM158AWG/883 在我们的电路中、复制(稍作修改)您在应用手册中建议的实现方案:
“航天级 100krad–2.5V 分立式负 LDO 线性稳压器电路。“
我们有一个关于的问题 –0.3V 最小输入电压 指定的输出电压。
我们并不完全理解该值、因此我们期望同相输入上的最小输入电压为 0V、最大输入电压等于正电源电压。
您能帮助我们澄清这一点吗?
非常感谢您的帮助。
此致、
Elisa Rodriguez de la Rosa.
您好 Elisa、
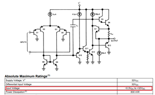
我们有关于的问题 –0.3V 最小输入电压 在数据表中指定。
如果是 LM158AWG/883 由单个电源轨供电、–0.3V 最小值是指输入可以低于 GND 的最小输入电压。 假设使用 24Vdc/GND 单电源轨、则使用 ABS。 最小输入电压不应低于 GND –0.3V 或 0.3V。 否则,可能会发生潜在的损坏风险 — 我们使用损坏风险短语,如 EIPD 中的“外部造成的物理损坏“。

如果使用双电源轨、例如 ±15VDC、则是 ABS。 最小输入电压不应低于–15V - 0.3V =–15.3V。
器件中的输入电压规格以反相和同相输入为基准。
BTW、如果您怀疑应用中的输入电压可能低于–0.3V、则可以实现非对称电源轨、例如–5V 直流或–3.3Vdc 和 24Vdc(示例)。
如果您有其他问题、请告知我们。
此致、
Raymond