This thread has been locked.

If you have a related question, please click the "Ask a related question" button in the top right corner. The newly created question will be automatically linked to this question.

[参考译文] TLV9001:IN+或 IN-引脚上是否有 ESD 保护二极管?

Guru**** 2782485 points

Other Parts Discussed in Thread: OPA2310, OPA2348, OPA348, OPA310, TLV9001, LM321LV

请注意,本文内容源自机器翻译,可能存在语法或其它翻译错误,仅供参考。如需获取准确内容,请参阅链接中的英语原文或自行翻译。

https://e2e.ti.com/support/amplifiers-group/amplifiers/f/amplifiers-forum/1553852/tlv9001-is-there-esd-protection-diodes-on-in-or-in--pins

器件型号:TLV9001
主题中讨论的其他器件: LM321LV、OPA2348、OPA2310 、OPA348、OPA310

工具/软件:

TI 专家、您好

我发现 OPA 上有保护二极管(如 LM321LV)、但我需要一个 OPA、在 IN 引脚和 V+之间没有这些二极管。 因此、我要确保 TLV9001 上没有 ESD 二极管。

此致

Yang

  • 请注意,本文内容源自机器翻译,可能存在语法或其它翻译错误,仅供参考。如需获取准确内容,请参阅链接中的英语原文或自行翻译。

    您好 Yang、

    所有 CMOS 和低压器件都具有 ESD 保护。 如果没有他们,他们永远不会生存世界。

    不想要 ESD 二极管是否有原因?

  • 请注意,本文内容源自机器翻译,可能存在语法或其它翻译错误,仅供参考。如需获取准确内容,请参阅链接中的英语原文或自行翻译。

    Yang、

    OPA2348 没有连接到 V+的二极管、但数据表中指出了这一点。  

    OPA2310  没有连接到 V+的二极管、数据表中如此清晰。  

  • 请注意,本文内容源自机器翻译,可能存在语法或其它翻译错误,仅供参考。如需获取准确内容,请参阅链接中的英语原文或自行翻译。

    您好、Paul

    因为在我的应用中、输入引脚将通过 ESD 二极管传导至 OPA 的 VCC、这会导致 关断状态下 VCC 处于非零电压。  有什么建议吗?

    BR

    Yang   

  • 请注意,本文内容源自机器翻译,可能存在语法或其它翻译错误,仅供参考。如需获取准确内容,请参阅链接中的英语原文或自行翻译。

    您好、Ron

    这是否意味着 OPA348 也没有连接到 V+的二极管?

    BR

    Yang

  • 请注意,本文内容源自机器翻译,可能存在语法或其它翻译错误,仅供参考。如需获取准确内容,请参阅链接中的英语原文或自行翻译。

    Yang、

    OPA348 没有输入到 V+的二极管

  • 请注意,本文内容源自机器翻译,可能存在语法或其它翻译错误,仅供参考。如需获取准确内容,请参阅链接中的英语原文或自行翻译。

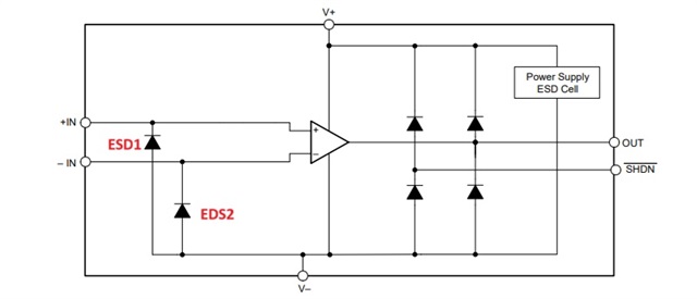
    下面的请参阅 OPA348 和 OPA310 ESD 保护方案、包括 ESD1 和 ESD2、它们通过将输入电压钳制在 ESD 二极管的正向偏置电压范围内来保护输入引脚免受负静电放电尖峰的影响、并通过将所述电压钳制在 ESD1 和 ESD2 的反向击穿电压范围内来保护正 ESD 放电尖峰。