请注意,本文内容源自机器翻译,可能存在语法或其它翻译错误,仅供参考。如需获取准确内容,请参阅链接中的英语原文或自行翻译。
器件型号:AMC1301工具/软件:
您好的团队、
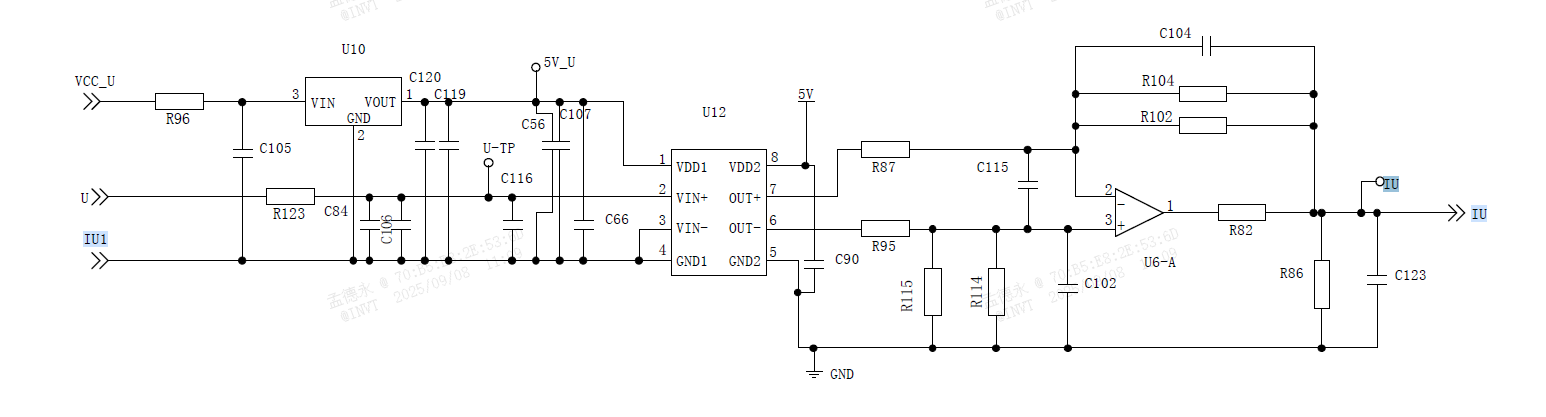
我的客户使用 AMC1301 进行三相电机电流检测。 问题是输出端没有信号输出
它们在初级侧和次级侧使用 5V 电源。 分流电阻器为 10 Ω。
发行率为 4/170。 它们使用 3 个器件进行三相、问题将出现在不同的位置。
问题时刻、他们可以测量两侧的 5V 电压。

您能帮助查看原理图吗?您对此案例有何见解?
This thread has been locked.
If you have a related question, please click the "Ask a related question" button in the top right corner. The newly created question will be automatically linked to this question.