请注意,本文内容源自机器翻译,可能存在语法或其它翻译错误,仅供参考。如需获取准确内容,请参阅链接中的英语原文或自行翻译。
部件号:LMV321 您好,
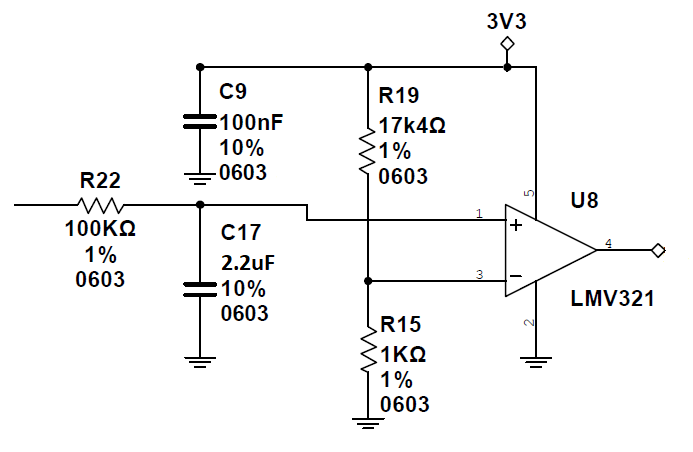
我正在使用LMV321放大器作为两个直流信号的比较器,如所附的Shematic所示。
连接到V+引脚1的信号的值约为3V,频率范围为450KHz。
问题在于,尽管信号电平之间的距离足够远,根据测量结果,V+(U8-1)输入引脚几乎为1.5V,Vin-(U8-3)输入引脚几乎为0.18V, 系统启动后,输出(U8-4)在"0"和"3V3"逻辑电平之间长时间摆动。 事实上,它几乎摆动了2分钟。 经过此时间后,它将保持在"3V3"级别。
我在示波器上看到了两个信号(V+,V-),并且没有峰值可导致这种行为或证明这种行为,因此我不知道问题的根源。
输入电平中是否有任何问题会导致LMV321失衡? 我应该以不同的方式设置它们吗? 我知道将该设备用作比较器的利弊,但我无法理解这里出现了什么问题。
此致,
