主题中讨论的其他器件: FDC2214EVM、 FDC2214、 OPA320、 LM337、 LM317
以下图片是 Kristin Jones93在 一个线程中提出的、其链接为:
Kristin 认为、OPA322被用作缓冲器、因此屏蔽铜板可以与 FDC2214EVM 连接。
根据这张图片、OPA322的输出应与其输入同相、其输出应等于输入。
我设置了器件并根据图中的设置对其进行了测试。 我购买了 OPA322并使用焊炬将其焊接在 PCB 板上。
PCB 设计图如下所示。

我使用的手电筒的温度为300摄氏度。但是、我后来检查了 OPA322的数据表、发现此组件的最高工作温度仅为150摄氏度。(我不知道这是我满足的原因吗?)
生成的物理图如下所示。

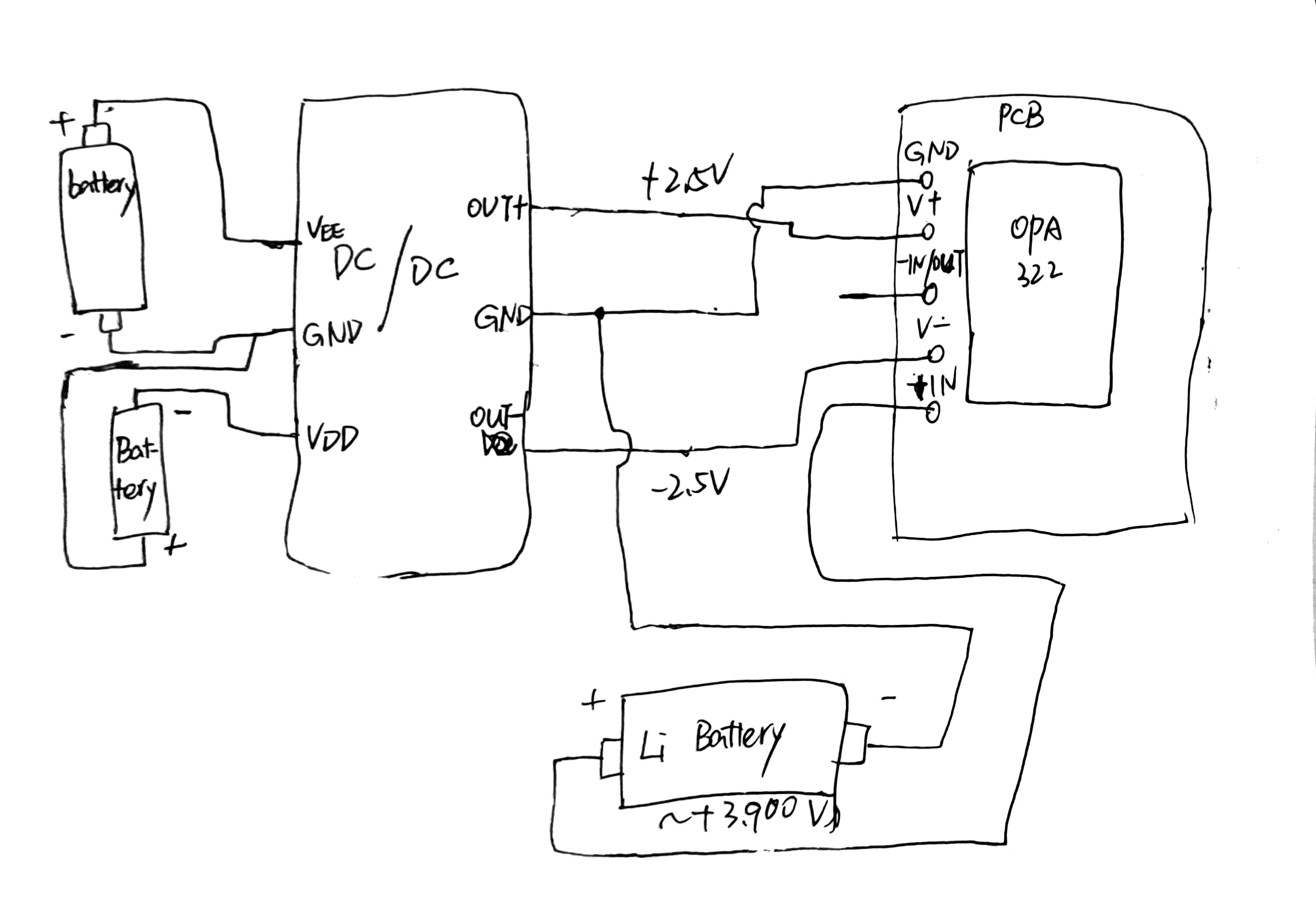
关于组件的+/-2.5V 电源、我使用了一个电压稳压器和2节锂电池来获得所需的+/-2.5V 电压。
最终连接图如下所示。(我已确认稳压器的输出分别为+2.496V 和-2.496V。)

然后、我对另一个锂电池运行了测试。 我将电池的正电极连接到 OPA322的输入端、同时 OPA322的输出端 正在打开。
万用表测量结果表明、OPA322输入端子和电池负端子之间的电压 为 3.742V。
但 OPA322输出端子和电池负端子之间的电压 为 3.228V。
两个电压之间的差值为0.514V、而不是0V。
我的问题:
电压差 是否正常?
如果没有,原因是什么? 以及如何解决这些问题?
3."有源驱动屏蔽:屏蔽是 INxA 引脚的缓冲信号。 信号由外部缓冲
增益为1的放大器。" 这句话 来自 FDC2214的数据表。
对于 FDC2214EVM、在输入信号和屏蔽电极之间添加这样的缓冲器有什么意义?
由于屏蔽电极和感应电极的信号大小和相位相同、为什么需要中间缓冲器? 为什么不直接连接它们?
此致。















