This thread has been locked.

If you have a related question, please click the "Ask a related question" button in the top right corner. The newly created question will be automatically linked to this question.

[参考译文] INA260:我能否测量开路电压

Guru**** 2390735 points
Other Parts Discussed in Thread: INA260
请注意,本文内容源自机器翻译,可能存在语法或其它翻译错误,仅供参考。如需获取准确内容,请参阅链接中的英语原文或自行翻译。

https://e2e.ti.com/support/amplifiers-group/amplifiers/f/amplifiers-forum/1018980/ina260-can-i-measure-open-circuit-voltage

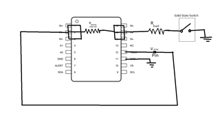
器件型号:INA260

您好!

我需要测量 PCB 板引脚上的杂散电压。 如果杂散电压在阈值内、则电流将从同一引脚发出。 我还需要测量该电流。

对于这个应用、我计划使用 INA260、如 所附的图所示。  由于我需要测量开路 (单端或开路、不连接任何负载) 杂散电压、 因此我将使用固态 开关 来控制负载电阻的连接。  只有在电流测量期间、我才会将电阻负载从 IN-引脚连接到 GNG。  

 以下是我的问题:

1.我是否可以使用 INA260将   Vbus 连接到所需的 PCB 引脚并将 GND 连接到电路接地来测量单端电压(在我的情况下是开路杂散电压)?

2.如果我如图所示将 Vbus 和 IN+引脚短接、杂散电压是否有任何内部闭合路径放电?

3.如果 有更好的方法可以将 INA260用于我的应用、或者可能有更 适合我的目标的不同 IC、您会推荐吗?

提前感谢您的支持。

此致、

纳雷什

  • 请注意,本文内容源自机器翻译,可能存在语法或其它翻译错误,仅供参考。如需获取准确内容,请参阅链接中的英语原文或自行翻译。

    纳雷什

    我们目前正在审查这 一帖子、并将很快采取后续行动。

  • 请注意,本文内容源自机器翻译,可能存在语法或其它翻译错误,仅供参考。如需获取准确内容,请参阅链接中的英语原文或自行翻译。

    纳雷什

    所示原理图将测量单端电压、因为它在 Vbus 和 IN+参数范围内运行。

    2. CSA 有一个内部漏极 Ib、总线引脚也会漏极电流。 无论连接的负载如何、仍会测量总线电压。

    3.总的来说,这种设置可以 很好地满足您的目标。