This thread has been locked.

If you have a related question, please click the "Ask a related question" button in the top right corner. The newly created question will be automatically linked to this question.

[参考译文] LMH6552:有关 ADS5562模拟 I/F 的问题

Guru**** 2387060 points
Other Parts Discussed in Thread: ADS5562, LMH6552, THS4561, LM7705
请注意,本文内容源自机器翻译,可能存在语法或其它翻译错误,仅供参考。如需获取准确内容,请参阅链接中的英语原文或自行翻译。

https://e2e.ti.com/support/amplifiers-group/amplifiers/f/amplifiers-forum/1040329/lmh6552-questions-about-analog-i-f-of-ads5562

器件型号:LMH6552
主题中讨论的其他器件:ADS5562THS4561LM7705

你(们)好
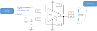
我正在使用 ADS5562开发 PCB。 您能回答图中的问题吗?

  • 请注意,本文内容源自机器翻译,可能存在语法或其它翻译错误,仅供参考。如需获取准确内容,请参阅链接中的英语原文或自行翻译。

    您好 Tatsuo、

    这是一个好问题、不太确定为什么它们将增益设置得这么高。 我猜他们希望以信号增益为例。 但是、您可以根据设计需求设置增益、同时考虑带宽的降低。  

    2. LC 网络有助于衰减高频噪声和谐波。 但是、是的、其他组件确实会改变网络的特性阻抗、但在特定频率下、这似乎是50欧姆的阻抗匹配。 这些计算器应有助于进行阻抗匹配: Link1 Link2。  

    3、是的、正确。 50欧姆匹配将导致分压器、为了对此进行补偿、您可以将增益设置为双倍。  

    4.对于 ADC 之前的低通滤波器、这是为了避免混叠、提高稳定性并消除高频噪声。 LMH6552数据表的第8.2.6节对此进行了深入介绍。  

    谢谢、

    Sima  

  • 请注意,本文内容源自机器翻译,可能存在语法或其它翻译错误,仅供参考。如需获取准确内容,请参阅链接中的英语原文或自行翻译。

    您好 Tatsuo-San、  

    这些示例设计有几个问题。  

    上滤波器是使用标准软件完成的、假设每端的阻抗匹配、中带损耗为6dB -这在 ADC 前面是不必要的、而下插入损耗滤波器会降低 FDA 输出端所需的摆幅。  

    下图假设源电阻为50欧姆、因此输入摆幅的定义假设匹配为50欧姆。 是的、这是一种损耗、但如果这是一种正在校准的网络分析器。 或者、如果射频放大器需要50ohm 负载、则其增益将与指定的值相同。 它还使用单个到差动的有效匹配-让我们看看它们是否正确?  

    看起来与阻抗匹配点的目标增益为2.11V/V -这里是这些精确的 R 和方程、它们接近、串联输入 Rg 应该是标准值162、看起来、 不是他们展示的169、他们在我想我开发这些方程之前就已经完成了这些。  

  • 请注意,本文内容源自机器翻译,可能存在语法或其它翻译错误,仅供参考。如需获取准确内容,请参阅链接中的英语原文或自行翻译。

    顺便提一下、如果您对 ADC 具有感兴趣的频率范围、我可以为设计提供低插入损耗 RLC 滤波器。 National 有点坚持双重匹配的滤波器理念、但我们最终将其从这一理念中分离出来-上面的应用手册还没有找到。   

  • 请注意,本文内容源自机器翻译,可能存在语法或其它翻译错误,仅供参考。如需获取准确内容,请参阅链接中的英语原文或自行翻译。

    尊敬的 Sima-San

    感谢你的答复。

    我有一个 LMH6552芯片、并一直在检查行为。
    我尝试将其用作从单端输入到差分输出的信号转换器。
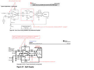
    图47中显示了最后一个问题、LMH6552的差分输出看起来有问题(尤其是信号的负极侧)。

    我还尝试了以下材料的电路。
    该电路中的差分输出看起来不错
    这不是 LMH6552的建议电路、但没关系吗?

    www.ti.com/.../sboa332.pdf ts=1633437738415

  • 请注意,本文内容源自机器翻译,可能存在语法或其它翻译错误,仅供参考。如需获取准确内容,请参阅链接中的英语原文或自行翻译。

    您好  Tatsuo-San、  

      在测试图47时、您使用相同的组件值(反馈、增益、负载?)进行了测试  

      当您使用显示 THS4561的图进行测试时、它们是相同的组件值吗? 如果是、我不会为 LMH6552使用非常高的反馈电阻器、并且会遵循 LMH6552数据表表表表1中显示的电阻器值。 此外、在探测时需要在 FDA 输出端连接一个电阻器(由于电容)。  

      您能否分享工作电路和非工作电路的示波器截图?

    谢谢、
    Sima  

  • 请注意,本文内容源自机器翻译,可能存在语法或其它翻译错误,仅供参考。如需获取准确内容,请参阅链接中的英语原文或自行翻译。

    尊敬的 Sima-San

    >您能否分享工作电路和非工作电路的示波器截图?

    我尝试的电路如下。
    在我的应用中避免了信号反射、因此我不采用50欧姆阻抗线。

    谢谢。

    Tatsuo

  • 请注意,本文内容源自机器翻译,可能存在语法或其它翻译错误,仅供参考。如需获取准确内容,请参阅链接中的英语原文或自行翻译。

    您好  Tatsuo-San、  

     感谢您分享更多信息。 原理图看起来不错、器件的电源轨是什么、您向放大器的输入馈送了什么输入信号? 您可能会看到某种类型的输入/输出违规问题。

    谢谢、

    Sima  

  • 请注意,本文内容源自机器翻译,可能存在语法或其它翻译错误,仅供参考。如需获取准确内容,请参阅链接中的英语原文或自行翻译。

    Sima-San、您好!  

    很抱歉缺少信息。 电源是单电源(仅+5V)。


  • 请注意,本文内容源自机器翻译,可能存在语法或其它翻译错误,仅供参考。如需获取准确内容,请参阅链接中的英语原文或自行翻译。

    您好  Tatsuo-San、

     感谢您提供最新的原理图! 您可能会在信号的负极侧看到奇怪结果的原因、我的最佳猜测是您正在负极电源处削波、在您的情况下是接地。 我建议将共模引脚上的直流电压增加到中间电源(2.5V)。 这样、您就可以最大限度地提高放大器的输出电压范围。  

     我已经在下面附加了您的电路仿真、然后 可以更改 VG1以匹配函数发生器的输入。  

    e2e.ti.com/.../6786.LMH6552.TSC

    谢谢、

    Sima

  • 请注意,本文内容源自机器翻译,可能存在语法或其它翻译错误,仅供参考。如需获取准确内容,请参阅链接中的英语原文或自行翻译。

    Sima-San、您好!  

    很抱歉我迟到了。

    >我建议将共模引脚上的直流电压增加到中间电源电压(2.5V)。
    你是对的。
    当共模引脚设置为2.5V 时、差分信号将正常。
    但是、"ADS5562"的 VCM 固定为1.5V、因此我认为无法提供2.5V 电压。

    谢谢、

  • 请注意,本文内容源自机器翻译,可能存在语法或其它翻译错误,仅供参考。如需获取准确内容,请参阅链接中的英语原文或自行翻译。

    您好 Tatsuo-San、  

     您的应用的输入信号范围是多少? 根据范围、我们可以帮助找到一个支持更接近负电源电压的器件。 如果不是、您是否能够使用  低噪声负偏置发生器(如 LM7705)轻松为电源轨提供负电压?  

    谢谢、

    Sima

  • 请注意,本文内容源自机器翻译,可能存在语法或其它翻译错误,仅供参考。如需获取准确内容,请参阅链接中的英语原文或自行翻译。

    Sima-San、您好!  

    感谢你的答复。

    >您的应用的输入信号范围是多少?

    我现在计划输入0至2V 的信号。

    您能否告诉我、输入范围可以更宽一些、以通过-0.23V (LM7705输出)为 V-供电?

    谢谢、

  • 请注意,本文内容源自机器翻译,可能存在语法或其它翻译错误,仅供参考。如需获取准确内容,请参阅链接中的英语原文或自行翻译。

    您好  Tatsuo-San、  

     对于0至2V 的输入电压范围、您实际上需要一个负偏置发生器、该发生器可以在负轨上提供-0.5V 电压、以避免超出放大器的输出电压摆幅。 LMH6552的输出电压摆幅数据表规格没有太大帮助、因为它仅提供差分电压。 因此、我一直在使用仿真来确定范围:  

    e2e.ti.com/.../4278.LMH6552.TSC

    谢谢、
    Sima