你(们)好
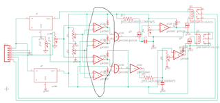
我在同相配置中使用 LM393作为电压比较器
我通过电位器为 VCC 提供了5V 电压、为反相引脚提供了2.5V 电压
问题是、即使到同相端子的电源为零、我也会获得大约3.8V 的输出电压
无论我将同相引脚的电压设置为零、还是小于或大于反相端子的电压、我都会获得输出
此外、当为同相提供一定电压且反相为零时、IC 提供相同的输出
只有当反相和非反相端子都为零时、IC 输出才会变为零
请帮助我对此进行排序
仅当同相电压大于反相电压(即2.5V)时、我才希望获得高输出
问题是当我单独测试比较器时,比较器工作正常,即只有当同相大于反相时才提供输出
但是、当我将其连接到整个电路时、在同相为零时也会出现同样的输出问题
请帮助我对其进行排序
电路中标记的四个比较器存在问题 