我对在级联中使用多个 THS4303放大器有一些疑问:
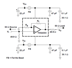
1) 1)在数据表中、输入端使用分流器49.9欧姆电阻器、输出端使用串联49.9欧姆电阻器进行匹配。 如果我级联 THS4303的两级、是否需要第一级输出端的串联49.9欧姆电阻器? 第二级的输入端是否需要一个49.9欧姆的分流电阻器?
2)上述问题的更一般形式。 匹配电阻器是否仅用于第一级和最后一级的输入?
3) 3)如果我要在第一级输入端使用分流49.9欧姆电阻器对放大器进行级联配置、在第一级输出端没有串联电阻器、在第二级输入端没有分流电阻器、 第二级输出端的串联49.9欧姆电阻器 S21是什么? 40dB?

Jonathan




