This thread has been locked.

If you have a related question, please click the "Ask a related question" button in the top right corner. The newly created question will be automatically linked to this question.

[参考译文] AMC1300:如何调整 RC 滤波器?

Guru**** 2528880 points
Other Parts Discussed in Thread: AMC1300

请注意,本文内容源自机器翻译,可能存在语法或其它翻译错误,仅供参考。如需获取准确内容,请参阅链接中的英语原文或自行翻译。

https://e2e.ti.com/support/amplifiers-group/amplifiers/f/amplifiers-forum/795070/amc1300-how-to-adjust-the-rc-filter

器件型号:AMC1300

你(们)好,先生

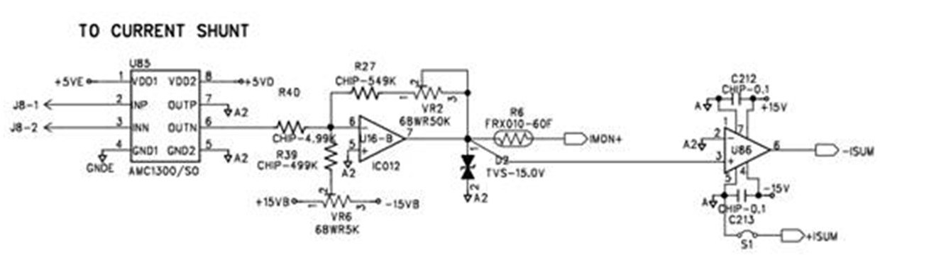
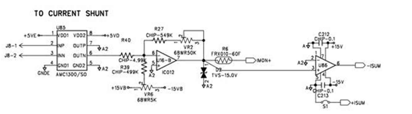
我使用 AMC1300作为分流监控器、总电流为40A、分流电阻为2m Ω、

在无电流的情况下、我将测量 amc1300的输出引脚6、 大约800mV Vpkpk 噪声、

如何调整 R/C 滤波器?

您可以帮助查看 原理图吗?

如何计算引脚2、3之间的 R/C 滤波器(&H)?

  • 请注意,本文内容源自机器翻译,可能存在语法或其它翻译错误,仅供参考。如需获取准确内容,请参阅链接中的英语原文或自行翻译。

    尊敬的 Alex:

    感谢您的发帖!

    请参阅以下有关 RC 滤波器的文章 :e2e.ti.com/.../716774

    将 AMC1300的 VOUTP 直接连接到 GND 不是一个好主意、因为它是一个真正的差分输出、这会导致器件损坏。  

    有关更多详细信息、请参阅此文档(以及中的帖子): https://e2e.ti.com/support/amplifiers/f/14/t/794945

  • 请注意,本文内容源自机器翻译,可能存在语法或其它翻译错误,仅供参考。如需获取准确内容,请参阅链接中的英语原文或自行翻译。
    你好 Alex

    那么、电路正常、我是说 OPA (需要差分至单电路)?
  • 请注意,本文内容源自机器翻译,可能存在语法或其它翻译错误,仅供参考。如需获取准确内容,请参阅链接中的英语原文或自行翻译。
    尊敬的 Alex:

    VOUTP 不能直接连接到 GND。

    我不确定你对另一个 OPA 做了什么、因此我无法评论。