This thread has been locked.

If you have a related question, please click the "Ask a related question" button in the top right corner. The newly created question will be automatically linked to this question.

[参考译文] THS3062:高速运算放大器的一个问题#39;PCB 布线

Guru**** 2551110 points


请注意,本文内容源自机器翻译,可能存在语法或其它翻译错误,仅供参考。如需获取准确内容,请参阅链接中的英语原文或自行翻译。

https://e2e.ti.com/support/amplifiers-group/amplifiers/f/amplifiers-forum/791549/ths3062-one-problem-about-high-speed-op-amps-pcb-routing

器件型号:THS3062

您好、TI 专家、

我要讨论的原理图如图1所示。

我的 PCB 是4层。 迹线宽度为10mil ,位于顶层,大约50mm。 下面是接地平面、电源平面和底层。 由于寄生电容问题、我移除了这个50mm 走线下方的正平面上的所有铜。 由于电源平面的连接性、我移除了该布线下方电源平面上的大部分铜、黄色标记区域除外、长度约为6mm。 我想知道这样一个6mm 的未蚀铜面积是否会严重降低性能?

图1.

此致

亚涛

  • 请注意,本文内容源自机器翻译,可能存在语法或其它翻译错误,仅供参考。如需获取准确内容,请参阅链接中的英语原文或自行翻译。
    Yatao 您好、

    在我们在这里进行的所有讨论之后、我很惊讶地看到您想要移除信号布线下方的接地层:

    e2e.ti.com/.../789198

    移除接地平面会将微带线转换为简单的电感、从而导致隐性振铃。 我绝对不会这样做。

    Kai
  • 请注意,本文内容源自机器翻译,可能存在语法或其它翻译错误,仅供参考。如需获取准确内容,请参阅链接中的英语原文或自行翻译。

    尊敬的 Kai:

    抱歉、抱歉。

    我一直保留 Michael 的单词“对于高速器件,我们始终讨论在 I/O 引脚周围打开接地平面和电源平面,直到您遇到某种电阻。 因此、如果您的输出迹线在接地平面或电源平面上脱落、这会很快地增加负载电容。  "在这种情况下、如下图1所示、OP1的输出使用了隔离电阻器 RISO、而50mm 的走线不直接连接到 OP1的输出。

    图1.

    如果未采用 RSIO、则迹线连接到 OP1、 必须移除迹线下方的平面。

    尊敬的 Kai:要获得正确的 Vo、我需要知道从 OP1的输出到 OP2 +端子的电阻。(我的实际原理图与上述内容略有不同、因此 OP2放大器的增益取决于总电阻)

    总电阻是否恒定且 等于 RISO+RTRACE+RIN? 其中 RTACE 是长迹线的电阻。

    此致

    亚涛

  • 请注意,本文内容源自机器翻译,可能存在语法或其它翻译错误,仅供参考。如需获取准确内容,请参阅链接中的英语原文或自行翻译。
    是的、Yatao、如果您不想使用端接电阻接地来获取级间6dB 损耗、只需将布线视为电容并尽可能减小该电容。那么 Riso 来自 Cload 驱动器的波形图。 Rin 更细微。 如果 CFA 的输入级看到电容源回看、则这些发射器跟随器可以发现振荡>1GHz。 通常、只有20欧姆的值会使其感到很遗憾。

    对于驱动放大器、这篇最近的文章讨论了 CFA 电容器负载稳定性问题。

    www.planetanalogue.com/author.asp
  • 请注意,本文内容源自机器翻译,可能存在语法或其它翻译错误,仅供参考。如需获取准确内容,请参阅链接中的英语原文或自行翻译。

    您好、Michael、

    谢谢。

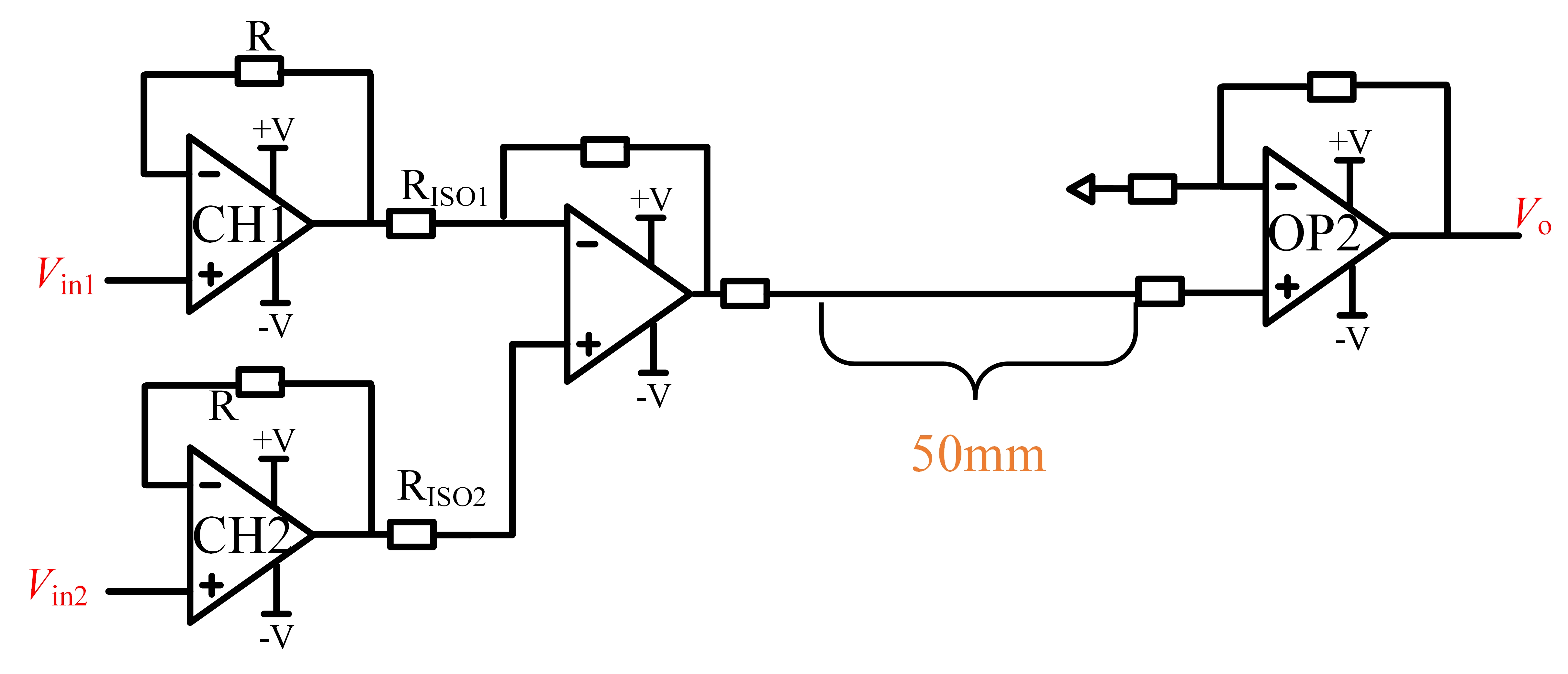
    实际上、我的原理图如下所示。 因此、3062的2个通道用于生成 Vo。 两个通道实际上都与 OP2相差50mm。

    幸运的是、从 CH2的输出到 OP2的+节点的电阻无关紧要。 但是、从 CH1输出到 OP2的电阻-节点、Rtotal 决定了 OP2的增益。 增益为 G=1+R2/(Rtotal)。

    如果我按照建议使用微带、那么我不确定 Rtotal 是否是恒定的纯电阻。 鉴于微带通常提供 Zo、我不知道它是电阻、电感还是电容。

    因此、实际上、我目前还没有使用 Rios1。 然后、Rtotal 可被视为 RIN1。 但是、为了保持稳定性、我想知道6毫米铜会使系统不稳定、还是会使 Rtotal 变得复杂和扭曲。 这就是我发布此主题的原因!

    此致

    亚涛

  • 请注意,本文内容源自机器翻译,可能存在语法或其它翻译错误,仅供参考。如需获取准确内容,请参阅链接中的英语原文或自行翻译。

    尊敬的 Kai:

    如果没有更好的解决方案可用、那么我会按照下面的原理图确定一种方法。 中间的运算放大器、该运算放大器发挥了操控 Vin1和 Vin2的作用。 然后、OP2仅配置为同相 、中间运算放大器到 OP2的长布线可管理为微带、以最大程度地降低不稳定性。

    此致

    亚涛

  • 请注意,本文内容源自机器翻译,可能存在语法或其它翻译错误,仅供参考。如需获取准确内容,请参阅链接中的英语原文或自行翻译。
    好的,亚都

    在 CH1侧、如果值大致正确、您可以将 RIN1视为带状线的端接。 如果分离 Riso1和 Rin1相等、这些值是什么-如果在50至100欧姆区域、是将反相路径视为匹配的终端。
  • 请注意,本文内容源自机器翻译,可能存在语法或其它翻译错误,仅供参考。如需获取准确内容,请参阅链接中的英语原文或自行翻译。
    您好、Michael、
    对于微带、如果 Riso1和 Rin1之和等于微带的 Zo、则增益可视为 G=1+(R2/(Rin1+Rsio1))?

    此致
    亚涛
  • 请注意,本文内容源自机器翻译,可能存在语法或其它翻译错误,仅供参考。如需获取准确内容,请参阅链接中的英语原文或自行翻译。

    否、每个都与带状线匹配、反相增益将为-RF/(Rin1+Riso1)

    因此、假设 Rin1+Riso1的总增益需要为150 Ω、则每个电阻为75 Ω、布线为75 Ω 带状线布局。 如果您在每一端进行匹配、则迹线对信号是透明的。  

  • 请注意,本文内容源自机器翻译,可能存在语法或其它翻译错误,仅供参考。如需获取准确内容,请参阅链接中的英语原文或自行翻译。

    您好、Michael、

    好的、现在我看到了。

    很抱歉对微带和带状线缺乏了解。 在这种情况下、如果没有你们的帮助、我就不知道了。

    正如 Kai 所说的那样、对于这条迹线、在其周围浇灌接地铜并在其下方接地层、它会使 Zo 发生。 通过试错、我可以知道 Zo 的近似值、并使用 Rin1和 Riso 作为相同的值。 BTW、Rin1是必需的吗? 我记得你告诉我 Riso1是必要的。

    Michael、下面的原理图还应该使用中间运算放大器和 OP2内的微带技术、对吧?

    此致

    亚涛

  • 请注意,本文内容源自机器翻译,可能存在语法或其它翻译错误,仅供参考。如需获取准确内容,请参阅链接中的英语原文或自行翻译。
    现在、您再次更改了您的电路。 您缺少的问题是、对于信号路径-

    非反相输入是运算放大器的高阻抗
    反相输入将 Rin1视为输入阻抗、Riso1输出布线结束时的 Rin1将进入反相输入端的虚拟接地。

    因此、Ch. 1输出-如果是长迹线、请在每一端使用匹配的 Riso1和 Rin 以及带状迹线阻抗(您不必猜中、MECL 设计手册提供了这些方程)。

    对 OP2的求和输出是之前关于输出看到电容负载的讨论-由于 OP2 V+处的 R 仅用于隔离电容回看- 20欧姆将会产生匹配的迹线阻抗。 除非最后一个电阻器上的端接是接地或虚拟接地、否则不会得到双端接匹配线。
  • 请注意,本文内容源自机器翻译,可能存在语法或其它翻译错误,仅供参考。如需获取准确内容,请参阅链接中的英语原文或自行翻译。

    您好、Michael、

    好的、我看到了。

    实际上、这种经过修改的电路旨在简化电阻器的选择。 如果没有中间的运算放大器、我将不得不调节 Rin1 (eqauls Riso1)、使其尽可能靠近 Zo。

    但是、根据下面的原理图、OP1接近中间运算放大器。 较宽的短迹线可以连接它们、迹线下方的铜蚀刻出来。 此外、在中间运算放大器和 OP2之间应用微带。 中间运算放大器和 OP2的+节点之间的电阻器可以更大一点、以抑制冲洗并仅牺牲一点延迟、因为电阻对 OP2的增益没有影响。 您的意思是 RT2是不必要的。

    此致

    亚涛