Other Parts Discussed in Thread: LM258
您好的团队:
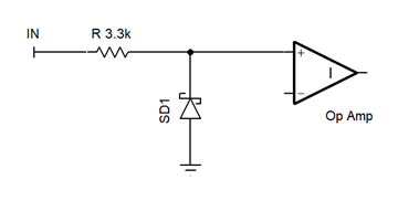
LM258 (同相放大器)上的 V+引脚在 -0.54ms_(>-0.3V)期间大约-1V 存在负电压问题 ,波形如下所示
请在 下面回答客户反馈的问题,谢谢。 (LM258数据表 www.ti.com/.../LM258)
1.如果从 LM258更改为 OPA2171AIDR,是否可以? 或任何建议?(OPA2171AIDR 数据表 www.ti.com/.../OPA2171)
2.OPA2171AIDR V+引脚最差条件是-2V?
3.是否有任何降低负电压的解决方案?
此致/ Mark
0.54ms_(>-0.3V)


