Other Parts Discussed in Thread: TLE2144
大家好 、团队、
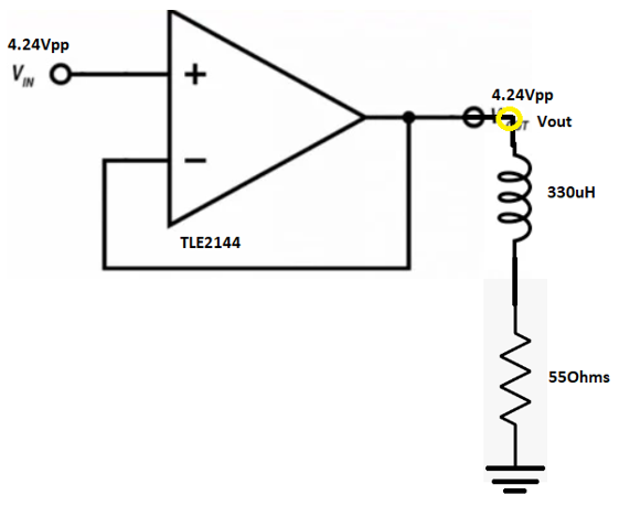
我目前正在使用 TLE2144IDW、600kHz、4.2Vpp 的输入信号由函数发生器生成。
使用具有 TLE2144的电压跟随器、我能够通过函数发生器的输入获得4.2Vpp 的输出、但在信号达到510kHz 以上后、信号在负周期开始失真。
TLE2144的增益 μs 约为5MHz、压摆率为27V/μ s。 因此、我应该在输出端获得良好的信号、但信号的负周期看起来会略微失真。 不确定问题是什么。 我不知道我需要查找什么。
原理图:

双电源+/-12V
下图(输入:青色信号、输出:黄色信号):

我希望听到您对此事的看法。
此致
James Man

