Other Parts Discussed in Thread: LM7171
我对 LM7171输出端的信号在我构建的电路中的缓慢上升时间感到惊讶。
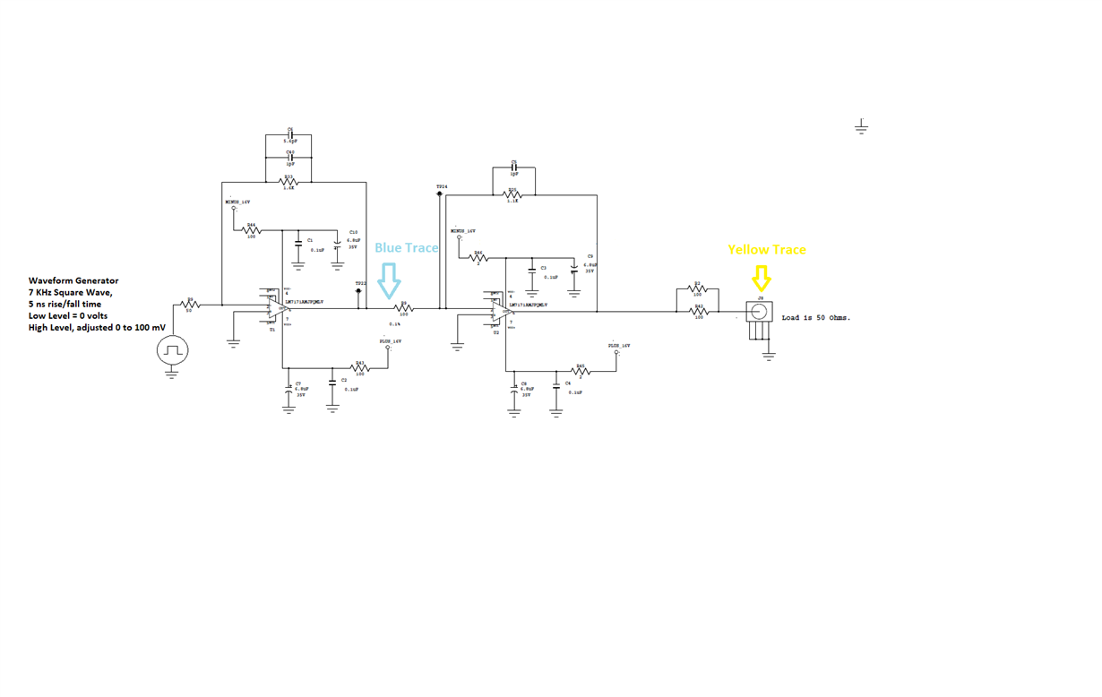
我在 一个电路中级联两个 LM7171。 我已经构建了电路(四层 PCB、单独的接地层、单独的电源层)、现在我将对其进行测试。
以下是有关该电路的详细信息:
电源: +/-16伏(以便从第二级 LM7171在100mA 时获得10伏输出)
第一阶段:
由 具有50欧姆输出电阻的波形发生器(WFG)驱动。 WFG 上升时间为5ns (测量值)、频率为7kHz。 方波低电平始终为0伏。 高电平可在0至大约50mV 之间调节、并在调整 WFG 时监控第二级的输出。
2. 反相
3、 反馈电阻= 1.1千欧、反馈电容(稳定)= 6pF (不包括寄生电路板电容、可能约为0.2pF)。
运算 放大器为 LM7171。
第二阶段:
由 第一级驱动。 在第一级输出和第二级的反相输入之间有一个100欧姆的电阻器(因此增益=-10)。
2. 反相
反馈电阻= 1kOhm、反馈电容= 1pF。
输出 驱动50欧姆示波器。 源电阻为50欧姆。
5. 希望输出为来自第二级 LM7171的0至10伏(示波器输入端为0至5伏)。
观察结果:
当 WFG 被调整以便第二级的输出达到其最大值(10伏)时、上升时间为125ns、远高于我的预期。
2. 在上述观察1所述状态期间、第一级的输出是从0到-800mV 的方波。
观察结果1中的输出具有平滑的单个 RC 时间常数外观、对我来说表明 LM7171第二级不在大信号域中运行。
4. 如果我提高 WFG 高电平、使第二级输出电压为11.2伏、而驱动它的第一级 LM7171的输出为0至-1.5伏、 上升时间减少至52ns、第二级波形的形式看起来更像我希望在大信号域中运行的运算放大器(即输入过驱、所有"尾"电流都在为补偿电容器充电)。 我看到表明这种行为的单峰值过冲特征。
我的问题是:
1、 为什么过驱动第2级 LM7171需要这么多的输入电压?


