This thread has been locked.

If you have a related question, please click the "Ask a related question" button in the top right corner. The newly created question will be automatically linked to this question.

[参考译文] INA3221:PCB 布局和模板设计需要 INA3221封装

Guru**** 2386610 points
Other Parts Discussed in Thread: INA3221
请注意,本文内容源自机器翻译,可能存在语法或其它翻译错误,仅供参考。如需获取准确内容,请参阅链接中的英语原文或自行翻译。

https://e2e.ti.com/support/amplifiers-group/amplifiers/f/amplifiers-forum/755233/ina3221-need-ina3221-footprint-for-pcb-layout-and-stencil-design

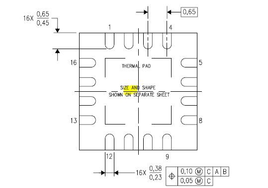
器件型号:INA3221

您好、Sirs、

对于客户的 PCB 设计、您是否会建议 INA3221的尺寸和模板建议?
数据表中显示的形状的大小与单独的工作表中显示的形状的大小  相同、而 www.ti.com/.../mpqf121e.pdf 中显示的形状相同。





我们还需要与 以下格式类似的模板建议:

  

谢谢、此致、

陈耀恩
2018年12月13日

  • 请注意,本文内容源自机器翻译,可能存在语法或其它翻译错误,仅供参考。如需获取准确内容,请参阅链接中的英语原文或自行翻译。

    您好、Wayne、

    感谢您深入了解该论坛。  焊盘尺寸实际上在 INA3221数据表的下一页上。

    至于模板、我假设他们希望这是因为他们的 PCB 布局程序。  我们实际上在 这个 公共存储库中提供了 CAD 文件。  只需在此处输入器件型号、它就会带您进入一个页面、您可以在其中下载这些器件。