This thread has been locked.

If you have a related question, please click the "Ask a related question" button in the top right corner. The newly created question will be automatically linked to this question.

[参考译文] LMV881:失调电压

Guru**** 2538930 points
Other Parts Discussed in Thread: LMV881, LM7705

请注意,本文内容源自机器翻译,可能存在语法或其它翻译错误,仅供参考。如需获取准确内容,请参阅链接中的英语原文或自行翻译。

https://e2e.ti.com/support/amplifiers-group/amplifiers/f/amplifiers-forum/707524/lmv881-offsetvoltage

器件型号:LMV881
主题中讨论的其他器件: LM7705

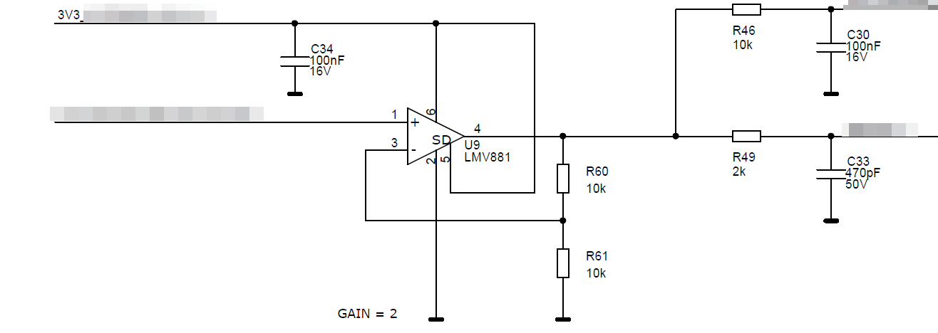
当正输入(引脚1)上的电压大约为0至2毫伏时、输出(引脚4)大约为72mV。

输出端的电压有一个失调电压、该失调电压看起来比预期的值大(如数据表中所示)

原因可能是什么?

  • 请注意,本文内容源自机器翻译,可能存在语法或其它翻译错误,仅供参考。如需获取准确内容,请参阅链接中的英语原文或自行翻译。
    您好、Christoph、

    LMV881无法在输出端完全降至0V。 一种解决方法是使用 LM7705来增加一个较小的负电源电压。

    Kai
  • 请注意,本文内容源自机器翻译,可能存在语法或其它翻译错误,仅供参考。如需获取准确内容,请参阅链接中的英语原文或自行翻译。
    您好、Christoph、

    感谢您关注我们的器件、我叫 Mamadou Diallo、是 GPAmps 的应用工程师。

    要添加到 Kai 建议、请考虑使用 Ve=-0.2V 并在引脚1接地且引脚1上电压的情况下对引脚4进行测量。

    如果您的应用无法处理高失调电压、除了 LM7705外、我还可以帮助您推荐具有较低失调电压的其他器件。

    此致、

    -Mamadou
  • 请注意,本文内容源自机器翻译,可能存在语法或其它翻译错误,仅供参考。如需获取准确内容,请参阅链接中的英语原文或自行翻译。
    感谢您的回答!

    当我移除 R61并短接 R60时、输出约为0.3mV、而输入约为0.1mV。
    为什么行为与原始电路不同?
  • 请注意,本文内容源自机器翻译,可能存在语法或其它翻译错误,仅供参考。如需获取准确内容,请参阅链接中的英语原文或自行翻译。
    您好、Christoph、

    因为现在不能驱动负载电流。 查看数据表的图11。

    Kai
  • 请注意,本文内容源自机器翻译,可能存在语法或其它翻译错误,仅供参考。如需获取准确内容,请参阅链接中的英语原文或自行翻译。
    要获得72mV 的电流必须是几 mA。 (请勿擦除、因为 y 轴以异常方式标记)
    在我的案例中、我认为只有几 uA。
  • 请注意,本文内容源自机器翻译,可能存在语法或其它翻译错误,仅供参考。如需获取准确内容,请参阅链接中的英语原文或自行翻译。
    你好、Chjristopher、

    我提到过、图11仅在 RL 以 V+/2为基准时有效。 因此、请不要过于字面上说、在线路之间读取、以了解当负载电流减小时输出信号为什么会进一步降至0V ... :-)

    Kai
  • 请注意,本文内容源自机器翻译,可能存在语法或其它翻译错误,仅供参考。如需获取准确内容,请参阅链接中的英语原文或自行翻译。
    您好、Christoph、

    由于我们没有听到您的反馈、我们必须假设您已经解决了您的问题、因此我要将此主题标记为这样。

    如果您尚未解决问题、请随时发布更多问题、我们将帮助您解决问题。
    如果您已经解决了问题、您可以分享您的解决方法、以便其他未来用户从您的答案中受益。

    谢谢!

    此致、

    -Mamadou
  • 请注意,本文内容源自机器翻译,可能存在语法或其它翻译错误,仅供参考。如需获取准确内容,请参阅链接中的英语原文或自行翻译。

    你好

    我用 R60=2k 和 R61=2k 解决了这个问题。 使用此电路时、输出低于1mV (当输入也远低于1mV 时)。

    此致、

    Christoph

  • 请注意,本文内容源自机器翻译,可能存在语法或其它翻译错误,仅供参考。如需获取准确内容,请参阅链接中的英语原文或自行翻译。
    很高兴听到您的电路工作正常!

    感谢 Christoph 的分享!

    此致、

    -Mamadou