请注意,本文内容源自机器翻译,可能存在语法或其它翻译错误,仅供参考。如需获取准确内容,请参阅链接中的英语原文或自行翻译。
器件型号:AMC1350-Q1 主题中讨论的其他器件:AMC1350
您好、专家:
Q1:CAN AMC1350采样负电压、例如 INN 连接到 GND1、INP 为-3V。
从上面的典型应用可以看出、当 INP-INN 为-5V 时、INP 的绝对电压为-5V。 但 AMC1350没有负电压、芯片如何对负电压进行采样?
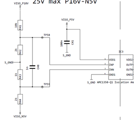
芯片是否可以按以下方式使用?VISO_P18V=18V、VISO_N5V=-5V、因此 INP 电压为3V、INN 电压为-1.6V。

非常感谢您的热情帮助!
