请注意,本文内容源自机器翻译,可能存在语法或其它翻译错误,仅供参考。如需获取准确内容,请参阅链接中的英语原文或自行翻译。
器件型号:TLV2316 大家好、
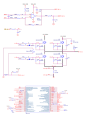
请帮助确认原理图中的相关器件值设置。
输入电压 DC3.3V、OPA 输出电压正常值1.65V、但故障 IC 电压1.75~1.79V



This thread has been locked.
If you have a related question, please click the "Ask a related question" button in the top right corner. The newly created question will be automatically linked to this question.
大家好、
请帮助确认原理图中的相关器件值设置。
输入电压 DC3.3V、OPA 输出电压正常值1.65V、但故障 IC 电压1.75~1.79V



Kevin 老师好!
信号增益为40.2 (40.2k/1k)而环路增益为 41.2 (40.2k/1k+1)。
偏移量可以高达3mV (温度为4.5mV);输出误差可以是+/-123.6mV (3mV*41.2)或185.4mV (4.5mV*41.2)。

也可能有一些 CMRR 效应。 VCM 与 VCC 中心之间的距离为-1.61V;最小 CMRR 为72dB;所以潜在的 Vos 误差高出0.4mV。
1.65V 基准值中的误差也在增益1 (0dB)时传递
是否只有几个样本偏离中心?