This thread has been locked.

If you have a related question, please click the "Ask a related question" button in the top right corner. The newly created question will be automatically linked to this question.

[参考译文] OPA2192:有关运算放大器未使用引脚的设计查询

Guru**** 2782555 points
请注意,本文内容源自机器翻译,可能存在语法或其它翻译错误,仅供参考。如需获取准确内容,请参阅链接中的英语原文或自行翻译。

https://e2e.ti.com/support/amplifiers-group/amplifiers/f/amplifiers-forum/1360049/opa2192-design-query-regarding-opamp-unused-pins

器件型号:OPA2192

您好!

我们在其中一个设计中使用了"OPA2192IDGKT"。 该运算放大器在一个 IC 封装中有2个运算放大器电路。 根据我们的要求、我们只使用一个运算放大器电路。 那么、我们是否可以将属于其他电路的引脚保持悬空? 还是应该接地。

此致、

尼特什

  • 请注意,本文内容源自机器翻译,可能存在语法或其它翻译错误,仅供参考。如需获取准确内容,请参阅链接中的英语原文或自行翻译。

    既不悬空也不接地(使用单电源)。 请参阅 e2e.ti.com/blogs_/archives/b/thesignal/posts/the-unused-op-amp-what-to-do。一般而言、应将未使用的运算放大器配置为简单的电压跟随器、电压介于两个电源之间。

    考虑是否可以在电路中的某个位置使用 G=1缓冲器;提高输入阻抗或降低某个信号的输出阻抗通常很有用。

  • 请注意,本文内容源自机器翻译,可能存在语法或其它翻译错误,仅供参考。如需获取准确内容,请参阅链接中的英语原文或自行翻译。

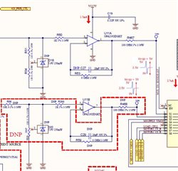
    感谢您的回复和分享的文章。 我们将使用单电源(5V)。 我附上了我们的设计图片。 根据新的设计要求、不需要连接到 U11B 的元件。 (该部分不是必需的)、因此我们将它们设置为 DNP (不填充)。 因为我们不能将运算放大器的未使用引脚保持悬空。 我们能否使用安装的 R59 (0欧姆)配置来实现负反馈、并将 R399和 R58替换为0欧姆以将 OPAMP 的同相端子连接到 GND? 剩余的分量将为 DNP。 根据我们的设计、似乎很难将非反相端子连接到 Vref。 请提供对该参数的回答。

  • 请注意,本文内容源自机器翻译,可能存在语法或其它翻译错误,仅供参考。如需获取准确内容,请参阅链接中的英语原文或自行翻译。

    R59正常。

    R56左侧的信号是什么? 或者您不能将0 Ω 连接添加到 U11A 的输入端?

    当您将输入连接到0V 时、运算放大器会尝试将其输出驱动到0V。如果输入具有负失调电压、则输出将尝试驱动到 GND 以下、这是不可能的、并且会使输出过载。 这不会损坏器件(请参阅第8.3.8节)、但可能会增加功耗。

  • 请注意,本文内容源自机器翻译,可能存在语法或其它翻译错误,仅供参考。如需获取准确内容,请参阅链接中的英语原文或自行翻译。

    尼泰什, 只是让你知道,我同意克莱门斯出色的支持。

    此致、艺术

  • 请注意,本文内容源自机器翻译,可能存在语法或其它翻译错误,仅供参考。如需获取准确内容,请参阅链接中的英语原文或自行翻译。

    你好,克莱门斯,谢谢你的答复和解释。

    R56左侧的信号为0-10V。 但根据新要求、我们不使用此(0-10V)输入路径。 因此、我们将使0-10V 路径中的所有元件作为 DNP。  R56之前有一个多路复用器、用于在0-10V 输入路径和流经 R50、U11A 路径的-20mA crrrrrrrrrrrrent 路径之间进行选择。

    您能否详细说明有关 "与 U11A 输入连接0欧姆"的要点?

  • 请注意,本文内容源自机器翻译,可能存在语法或其它翻译错误,仅供参考。如需获取准确内容,请参阅链接中的英语原文或自行翻译。

    Nitesh 和

    如果您将输入短接至 GND、器件可能会消耗更多的 IQ。  因此、最好向未使用的器件的输入端施加电压、以使其保持线性状态。  如果将输入接地、这应该不是一个严重的问题、但最好施加电压、以使放大器保持线性状态。  

    此致、艺术

  • 请注意,本文内容源自机器翻译,可能存在语法或其它翻译错误,仅供参考。如需获取准确内容,请参阅链接中的英语原文或自行翻译。

    与某个具有有效电压的节点建立连接。 如果您要实际使用第二个运算放大器、0 Ω 允许您断开连接。

  • 请注意,本文内容源自机器翻译,可能存在语法或其它翻译错误,仅供参考。如需获取准确内容,请参阅链接中的英语原文或自行翻译。

    你好艺术,感谢宝贵的支持.

  • 请注意,本文内容源自机器翻译,可能存在语法或其它翻译错误,仅供参考。如需获取准确内容,请参阅链接中的英语原文或自行翻译。

    您好,Clemens ,感谢您的宝贵支持。

  • 请注意,本文内容源自机器翻译,可能存在语法或其它翻译错误,仅供参考。如需获取准确内容,请参阅链接中的英语原文或自行翻译。

    您好。如果我们将 U11B 的引脚5 (同相输入)连接到5V、就可以了。

    注意:运算放大器的电源电压为5V。

  • 请注意,本文内容源自机器翻译,可能存在语法或其它翻译错误,仅供参考。如需获取准确内容,请参阅链接中的英语原文或自行翻译。

    它将具有与0V 相同的问题。

    (允许0V 和5V 电压;最糟糕的情况是功耗增加。)

  • 请注意,本文内容源自机器翻译,可能存在语法或其它翻译错误,仅供参考。如需获取准确内容,请参阅链接中的英语原文或自行翻译。

    好的、明白。 因此输入引脚的电压应介于0至5V 之间。 对吧?

  • 请注意,本文内容源自机器翻译,可能存在语法或其它翻译错误,仅供参考。如需获取准确内容,请参阅链接中的英语原文或自行翻译。

    是(如果可能)。

  • 请注意,本文内容源自机器翻译,可能存在语法或其它翻译错误,仅供参考。如需获取准确内容,请参阅链接中的英语原文或自行翻译。

    谢谢你,克莱门斯

  • 请注意,本文内容源自机器翻译,可能存在语法或其它翻译错误,仅供参考。如需获取准确内容,请参阅链接中的英语原文或自行翻译。

    您好、Clemens:

    由于布局限制、我们无法在设计中添加新组件/连接。 我们正在根据下面附加的图像搜索具有引脚映射的单电路运算放大器 IC、以消除未使用的运算 放大器、我虽然尝试过、但没找到合适的运算放大器。   

    能否检查一下您是否能够找到这样的运算放大器?

    注意:封装应为8引脚 VSSOP/SOIC。

  • 请注意,本文内容源自机器翻译,可能存在语法或其它翻译错误,仅供参考。如需获取准确内容,请参阅链接中的英语原文或自行翻译。

    您好、Art:

    由于布局限制、我们无法在设计中添加新组件/连接。 我们正在根据下面附加的图像搜索具有引脚映射的单电路运算放大器 IC、以消除未使用的运算 放大器、我虽然尝试过、但没找到合适的运算放大器。   

    能否检查一下您是否能够找到这样的运算放大器?

    注意:封装应为8引脚 VSSOP/SOIC。

  • 请注意,本文内容源自机器翻译,可能存在语法或其它翻译错误,仅供参考。如需获取准确内容,请参阅链接中的英语原文或自行翻译。

    没有这种器件;所有8引脚单通道 IC 都使用不同的标准引脚排列:

    如果您不想添加适配器板、那么您唯一的选择是使用双路运算放大器、并接受额外的功耗。 (这可能不是太糟糕。 也可以选择具有正偏移电压的芯片。)

  • 请注意,本文内容源自机器翻译,可能存在语法或其它翻译错误,仅供参考。如需获取准确内容,请参阅链接中的英语原文或自行翻译。

    您好!

    艺术现在不在办公室。  同意 Clemens 的说法-我们没有单个器件具有这种引脚排列。

    此致、
    迈克

  • 请注意,本文内容源自机器翻译,可能存在语法或其它翻译错误,仅供参考。如需获取准确内容,请参阅链接中的英语原文或自行翻译。

    感谢你的评分

  • 请注意,本文内容源自机器翻译,可能存在语法或其它翻译错误,仅供参考。如需获取准确内容,请参阅链接中的英语原文或自行翻译。

    谢谢 Mike