This thread has been locked.

If you have a related question, please click the "Ask a related question" button in the top right corner. The newly created question will be automatically linked to this question.

[参考译文] INA3221:设计检查

Guru**** 2502205 points
Other Parts Discussed in Thread: INA4230, INA4235

请注意,本文内容源自机器翻译,可能存在语法或其它翻译错误,仅供参考。如需获取准确内容,请参阅链接中的英语原文或自行翻译。

https://e2e.ti.com/support/amplifiers-group/amplifiers/f/amplifiers-forum/1417590/ina3221-design-check

器件型号:INA3221
主题中讨论的其他器件:INA4230INA4235

工具与软件:

大家好、团队成员:

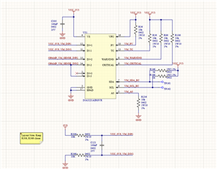
我在本设计中有未使用的通道、我保持了 IN+3引脚悬空、并将未使用的 IN-3引脚连接到已使用通道。 请确认是否正确。

数据表中提到了上述描述。 请确认设计是否正确。

  • 请注意,本文内容源自机器翻译,可能存在语法或其它翻译错误,仅供参考。如需获取准确内容,请参阅链接中的英语原文或自行翻译。

    您好、Vishnu、

    是的、这是正确的方法。 此外、作为供参考、我们最近发布了一些较新的4通道器件 INA4235和 INA4230。 我意识到您只需要两个通道、但这些器件具有一些您可能感兴趣的额外功能。

    此致、

    Mitch

  • 请注意,本文内容源自机器翻译,可能存在语法或其它翻译错误,仅供参考。如需获取准确内容,请参阅链接中的英语原文或自行翻译。

    感谢 Mitch 的回应。

    我还有一些问题

    1.您还可以检查并确认是否所有其他连接都能正常工作。

    2.我把 VPU 绑在3V3上,这是正确的吗?

    最大 Vshunt 仅为163mV、但我们要在通道1中检测0.8Vcore、这样是否可行?

  • 请注意,本文内容源自机器翻译,可能存在语法或其它翻译错误,仅供参考。如需获取准确内容,请参阅链接中的英语原文或自行翻译。

    您好、Vishnu、

    下面是我对您的问题的回答:

    1.是的,连接都很好。 我将注意到、用于 I2C 线路的1KΩ Ω 上拉电阻似乎有点高。 如果您通信缓慢或在其他地方有其他上拉电阻器、这仍然没有问题。

    2、是的,这是可以做的。

    163mV 表示 IN+和 IN-之间的最大可测量差值。 共模电压最高可达26V、因此0.8V 绝对没问题。

    此致、

    Mitch