Other Parts Discussed in Thread: LMV331
请注意,本文内容源自机器翻译,可能存在语法或其它翻译错误,仅供参考。如需获取准确内容,请参阅链接中的英语原文或自行翻译。
器件型号:LMV331 工具与软件:
嗨、团队:
请帮助我看一下客户的这份原理图、
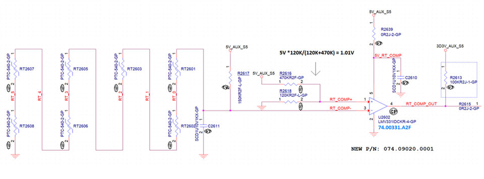
由于 LMV331没有 POR、
您可以看到 IN+和 IN-都是来自 VCC 的相同5V 分压器、该 VCC 上电情况是否与 数据表8.2.2.1 (即输出高阻态)中的1位条件完全匹配?


This thread has been locked.
If you have a related question, please click the "Ask a related question" button in the top right corner. The newly created question will be automatically linked to this question.
您好、Fred:
第8.2.2.1节介绍了基于不同输入条件的输出行为。 1b。 图中下划线表示在建议工作条件下运行的比较器的正常输出行为。
第8.2.2.1节中的具有输入电压情况的输出列表基于以下假设:t 电源电压至少为最小电源电压(VCC > 2.7V) .
该列表未描述比较器上电(VCC < 2.7V)时的任何输出情况、因此您无法使用此列表来预测上电期间的输出行为。