主题中讨论的其他器件: TLV1871
工具与软件:
我将使用 LM311来制造过零检测器。

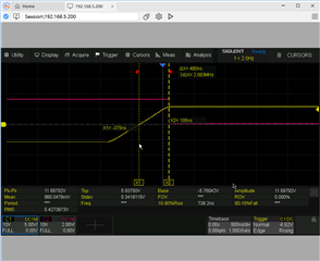
低电平到高电平的响应时间为112ns、但高电平到低电平的响应时间为1.35us、比预期要长得多。
我更换了两次芯片、没有变化、芯片执行的是与 PSpice 仿真结果(154ns)相对应的行为。
高电平到低电平:

低电平到高电平:

PSpice:

This thread has been locked.
If you have a related question, please click the "Ask a related question" button in the top right corner. The newly created question will be automatically linked to this question.
Alan、您好!
输入是否为+12V 至-12V?
LM311不是轨到轨输入-输入在±12V 电源下具有 VCC 2V 和 VEE + 0.5V 的限制、或-11.5至+10V 的输入范围。
高电平信号和低电平信号都超出输入限制、因此输入实际上是从截止频率驱动到截止频率、因此不会正确响应。
要么衰减输入信号使其处于-11.5V 至+10V 范围内、要么将电源增加至 大于±14V。
您能否尝试在引脚3和 GND 之间放置一个1k 电阻器来在 R19处产生衰减?
同样、请参阅 TLV1871 -它是 R-R 输入、也具有独立的输出电源、并可以在功能上替代 LM311。
Alan、您好!
对于像这样的较旧器件、输入较小的信号可能会更好(输入上的电压可能会使输入器件饱和)。 再尝试降低、例如100-500mV。
请记住、上升时间将取决于上拉电阻和负载电容。 您可以减小上拉电阻器的大小、以获得稍快的边沿。 请注意、数据表中具有高达5V 的500欧姆上拉电阻。 对于3.3V 电压、470-510欧姆应该不是问题。
用以确定上升时间(10%- 90%)的公式、以1k 和10pF 为例:
上升时间= 2。 2 * RPULLUP * CLOAD = 2。 2 * 1k * 10pF = 22ns