Other Parts Discussed in Thread: UNIFLASH, MSPM0C1104
主题中讨论的其他器件:UNIFLASH、 SEGGER、
工具与软件:
嗨、团队:
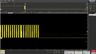
客户使用 i2ctest 查询 MCU (使用 i2c 目标器件的地址0x48将 MCU 配置为 i2c 目标器件) 、但发现 MCU 没有响应、并且使用范围检查 i2c 波形、发现 SCL 在作为附件的几个时钟周期后将变低。 此问题始终存在


客户使用 SDK:mspm0_sdk_2_03_00_07
问题:
客户使用 M0C1104 WSON。 他们担心 I2C 时钟和 NRST 使用相同的引脚。 I2C 时钟由对等器件(而不是 M0C104)拉取。 有时、对等器件可能突然断电。 他们担心 I2C 时钟突然低电平。 这将触发 NRST 至 M0C1104。
他们还有以下两个问题。 请帮助您澄清。 谢谢你。
- 要通过 SWD 将固件下载到 MSPM0C1104SDSGR、我们需要 NRST 引脚、还是只需要 VDD、VSS、SWCLK 和 SWDIO?
- 对于 I2C 和 NRESET 在 MSPM0C1104SDSGR 上共用同一引脚、何时触发 RESET 功能? 在 I2C 传输期间是否会触发复位。


