This thread has been locked.

If you have a related question, please click the "Ask a related question" button in the top right corner. The newly created question will be automatically linked to this question.

[参考译文] MSPM0G3507:can##39;t 在定制 PCB 上使用错误代码对 MCU 进行编程

Guru**** 2606725 points
Other Parts Discussed in Thread: MSPM0G3507, SYSCONFIG

请注意,本文内容源自机器翻译,可能存在语法或其它翻译错误,仅供参考。如需获取准确内容,请参阅链接中的英语原文或自行翻译。

https://e2e.ti.com/support/microcontrollers/arm-based-microcontrollers-group/arm-based-microcontrollers/f/arm-based-microcontrollers-forum/1472802/mspm0g3507-can-t-program-mcu-on-the-custom-pcb-with-error-code

器件型号:MSPM0G3507
主题中讨论的其他器件: SysConfig

工具与软件:

每次我尝试使用 launchpad 上的 XDS110调试器对板载 MCU 进行编程时、屏幕截图中会显示错误。 有人能帮我解决这个问题吗?

我从 XDS110将3.3V、GND、SWDIO 和 SWCLK 连接到定制电路板。

谢谢!

  • 请注意,本文内容源自机器翻译,可能存在语法或其它翻译错误,仅供参考。如需获取准确内容,请参阅链接中的英语原文或自行翻译。

    您好、Jaein:

    1.检查 MCU 是否 焊接成功

    您可以尝试同时将 NRST 连接到 XDS110吗?

    3.仔细检查 MCU 的硬件原理图。

    此致、

    Zoey

  • 请注意,本文内容源自机器翻译,可能存在语法或其它翻译错误,仅供参考。如需获取准确内容,请参阅链接中的英语原文或自行翻译。

    Zoey、您好!

    感谢您的答复。

    在添加有关此问题的更多信息和更新之前、我想说明的是、在我开始这个项目之前、我之前从未接触过 MCU 和嵌入式系统。 恐怕我没有微不足道的背景信息、也可能遗漏了一些 我需要执行的基本任务。

    1.对我来说、我的 MCU 似乎已成功焊接、但有没有其他方法可以使用测量工具进行相关检查? 由于 MSPM0G3507封装和引脚太小、我不确定是否真正为芯片供电。 虽然我检查过电路板的电源引脚接头共享的是正确的3.3V 电源、但并不能很好地判断芯片是否也有3.3V 电源。

    2.我也把 NRST 连接到了 XDS110上,但是即使在"强制复位"之后也会显示相同的错误代码。

      蓝色- GND、红色- 3V3 (来自 XDS110)、橙色- NRST、灰色- SWDIO、黄色- SWCLK

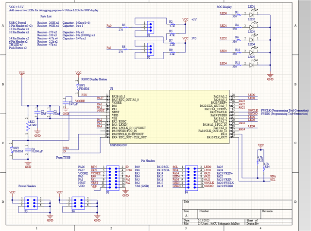
    3.我参考用户指南、数据表和 launchpad 的原理图尽最大努力为 MCU 设计正确的原理图、但您能帮我仔细检查一下 MCU 的硬件原理图吗? 请找到随附的原理图屏幕截图。

    (为了获得更好的分辨率: https://drive.google.com/file/d/1cg3_60IpdC6H2sy4aZ2P6TsGecvmanmk/view?usp=sharing)

    感谢你能抽出时间。

    此致!

    Jaein

  • 请注意,本文内容源自机器翻译,可能存在语法或其它翻译错误,仅供参考。如需获取准确内容,请参阅链接中的英语原文或自行翻译。

    您好、Jaein:

    您是否成功刻录过? 还是从不?  我看原理图是否正确。

    并确保 MCU  焊接 成功:

    我们首先直接将万用表放在 MCU 的引脚上、测试其电源是否正常。 此外、我们将首先焊接 MCU 及其配件、然后测量整个系统的电阻是否在正常范围内、以确定 MCU 是否成功焊接。

     

    回到当前的故障烧录问题、不包括硬件原理图和布局的原因、我唯一能够想到的是芯片未成功焊接。  您能优先再次检查一下吗?

    此致、

    Zoey

  • 请注意,本文内容源自机器翻译,可能存在语法或其它翻译错误,仅供参考。如需获取准确内容,请参阅链接中的英语原文或自行翻译。

    Zoey、您好!

    我以前从未成功将程序烧录到 MCU 中。

    很抱歉、如果这是一个很基本的问题、但是当引脚这么小时、如何直接将万用表放在 MCU 的引脚上? 是否有一些 适用于 微型引脚(如 MSPM0G3507)的薄型 DMM 探针扩展?

    感谢您发送编修。 我将按照您提供的说明检查芯片是否焊接成功。

    此外、您能否检查布局是否也正确完成?

    (为了获得更好的分辨率: https://drive.google.com/file/d/1uy1zxBEZXX7iDQ5VGyULW5MMbeHNrqYI/view?usp=sharing)

    再次感谢你。

    此致!

    Jaein

  • 请注意,本文内容源自机器翻译,可能存在语法或其它翻译错误,仅供参考。如需获取准确内容,请参阅链接中的英语原文或自行翻译。
    [报价 userid="641900" url="~/support/microcontrollers/arm-based-microcontrollers-group/arm-based-microcontrollers/f/arm-based-microcontrollers-forum/1472802/mspm0g3507-can-t-program-mcu-on-the-custom-pcb-with-error-code/5665337 #5665337"]很抱歉、如果这是一个过于基本的问题、但当引脚太小时、您如何直接将万用表置于 MCU 的引脚上? 是否有 适用于 微型引脚(如 MSPM0G3507)的薄型 DMM 探针扩展?

    我们是在显微镜下完成的。 哈哈。。。

    从调试信息中可以看到、MCU 似乎已成功上电、请检查 SWD 引脚是否已焊接。

    从我这边看、布局没问题。

  • 请注意,本文内容源自机器翻译,可能存在语法或其它翻译错误,仅供参考。如需获取准确内容,请参阅链接中的英语原文或自行翻译。

    谢谢 Zoey、

    感谢您的建议、我重新检查了焊接和重新焊接的 SWD 引脚、现在它们似乎最终连接在一起。

    但是、当我尝试将代码刻录到芯片中时、CCS 现在会显示一个不同的错误代码:
    德州仪器(TI) XDS110 USB 调试探针/Cortex_M0P 连接到目标时出错:(错误-6310) PRSC 模块无法读取寄存器。 (仿真软件包20.0.0.3344)

    我正在尝试将在 LaunchPad 上运行的相同代码编程到定制电路板上的 MCU、但这些封装不同(不过型号#- MSPM0G3507 -是相同的)。 此错误是否是由这些不同封装之间的不同配置引起的?

    另外、请告诉我、由于上一个问题已解决且错误代码已更改、是否应该打开新的问题线程。

    感谢您的帮助、希望您有一个出色的团队!

    此致!

    Jaein

  • 请注意,本文内容源自机器翻译,可能存在语法或其它翻译错误,仅供参考。如需获取准确内容,请参阅链接中的英语原文或自行翻译。
    [报价 userid="641900" url="~/support/microcontrollers/arm-based-microcontrollers-group/arm-based-microcontrollers/f/arm-based-microcontrollers-forum/1472802/mspm0g3507-can-t-program-mcu-on-the-custom-pcb-with-error-code/5671410 #5671410"]但是、当我尝试将代码刻录到芯片中时、CCS 向我显示了一个不同的错误代码:
    德州仪器(TI) XDS110 USB 调试探针/Cortex_M0P 连接到目标时出错:(错误-6310) PRSC 模块无法读取寄存器。 (仿真软件包20.0.0.3344)

    Ohno 似乎您的设备已锁定、无法再访问它。

    如果软件没有问题、通常是由于通信过程中的硬件导致信号质量差、这会导致 MCU 下载过程出现问题。

    此外、请告诉我、由于上一个问题已经解决、而且错误代码已更改、我是否应该打开一个新的问题线程。

    您可以选择打开一个新主题 进行进一步讨论。

    此致、

    Zoey

  • 请注意,本文内容源自机器翻译,可能存在语法或其它翻译错误,仅供参考。如需获取准确内容,请参阅链接中的英语原文或自行翻译。

    Zoey、您好!

    非常感谢您的回答。

    您能告诉我"锁定的 MCU"是什么意思吗? 这是否意味着芯片已经坏了、需要更换?

    我发现、即使我使用的封装(但是相同的芯片)与 LaunchPad 上的封装不同、但并没有更改 SysConfig 中的封装规格。 这可能是导致该错误代码的原因吗?

    该错误代码(或正在锁定的状态)是可以修复的还是只能通过芯片更换来修复的?

    感谢你的帮助。

    此致!

    Jaein

  • 请注意,本文内容源自机器翻译,可能存在语法或其它翻译错误,仅供参考。如需获取准确内容,请参阅链接中的英语原文或自行翻译。

    您好、Jaein:

    很抱歉、这个芯片已经坏了、需要换一个。

    SysConfig 中的软件包规格不会影响烧录。  

    Zoey

  • 请注意,本文内容源自机器翻译,可能存在语法或其它翻译错误,仅供参考。如需获取准确内容,请参阅链接中的英语原文或自行翻译。

    确认 SWDIO 和 SWCLK 是否正确连接。 检查 XDS110调试器和定制电路板之间是否共享 GND。 此外、检查您的 PCB 中是否没有制造错误。  

    vectorbluehub.com/pcb-test-what-it-is-and-how-it-helps

    www.pcbway.com/.../What_are_PCB_Test_Coupons_PCB_Knowledge_e14999fe.html