Other Parts Discussed in Thread: DP83869HM, AM2634, TMDSCNCD263
器件型号: AM2634
Thread 中讨论的其他器件: TMDSCNCD263、DP83869HM、 DP83869
尊敬的团队:
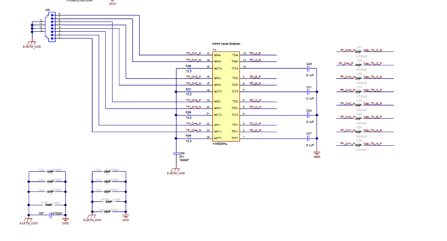
我们在工程中使用 AM2634 控制器。 因此、我们参考 DEVLEOPENT 电路板 (TMDSCNCD263) 原理图设计了定制电路。
但是、我们面临以太网连接方面的多个问题。 我没有看到 RJ45 上有任何 LED 亮起。 我们遵循了所附原理图中 DP83869HM 的电源时序和磁性元件说明
我们随时准备让团队调用并查看原理图。 请让我来处理这个问题。
感谢您对此的支持! 这推动了项目中的多个里程碑
仅供参考、我们的总部位于印度班加罗尔。
谢谢!
请参阅以下原理图快照、如果有任何更改、请告知我











