This thread has been locked.

If you have a related question, please click the "Ask a related question" button in the top right corner. The newly created question will be automatically linked to this question.

[参考译文] TM4C1294NCPDT:Cortex_M4_0:连接到目标时出错:(错误-2062 @ 0x0)无法停止器件

Guru**** 2611015 points
Other Parts Discussed in Thread: TM4C1294NCPDT, UNIFLASH

请注意,本文内容源自机器翻译,可能存在语法或其它翻译错误,仅供参考。如需获取准确内容,请参阅链接中的英语原文或自行翻译。

https://e2e.ti.com/support/microcontrollers/arm-based-microcontrollers-group/arm-based-microcontrollers/f/arm-based-microcontrollers-forum/626437/tm4c1294ncpdt-cortex_m4_0-error-connecting-to-the-target-error--2062-0x0-unable-to-halt-device

器件型号:TM4C1294NCPDT
主题中讨论的其他器件: UNIFLASH

您好!

我在使用 TM4C1294NCPDT 定制板时遇到问题。

以下是错误消息:

Cortex_M4_0:GEL 输出:
内存映射初始化完成
Cortex_M4_0:连接到目标时出错:(错误-2062 @ 0x0)无法停止器件。 重置设备、然后重试此操作。 如果错误仍然存在、请确认配置、对电路板进行下电上电和/或尝试更可靠的 JTAG 设置(例如、较低的 TCLK)。 (仿真包6.0.14.5)

已在3个不同的板上尝试、所有板都具有相同的消息。

但是、在2年前使用相同的设置时、同一个板中的一个工作正常。

有什么需要检查的?

谢谢你

  • 请注意,本文内容源自机器翻译,可能存在语法或其它翻译错误,仅供参考。如需获取准确内容,请参阅链接中的英语原文或自行翻译。

    Siauhwa

    一些问题:
    -您将什么用作编程 Pod?
    -您是否尝试使用 LMFlash 或 Uniflash 执行"解锁"过程?

    一些想法:
    -您是否确定您的电路板执行良好并正常工作? 您是否测量了所有3V3和1.2V 并获得了正确的读数?
    -您的 R79是否短路或值错误,并防止 POD 重置以使线路断开?
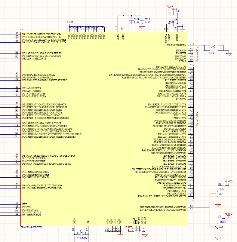
    *您的 RBIAS 是否像原理图所示那样浮动? 您需要特定的电阻器、请阅读该器件的最新勘误表。

    最后一点是一个示例限位器、请先检查。

    此致

    布鲁诺

  • 请注意,本文内容源自机器翻译,可能存在语法或其它翻译错误,仅供参考。如需获取准确内容,请参阅链接中的英语原文或自行翻译。

    您好、Siauhwa、

    我看到 RBIAS 未连接。 您能否在 RBIAS 和 GND 之间添加串联电阻(4.7K)、看看它是否解决了问题。

  • 请注意,本文内容源自机器翻译,可能存在语法或其它翻译错误,仅供参考。如需获取准确内容,请参阅链接中的英语原文或自行翻译。
    您好、Bruno、

    我使用 XDS560V2 USB

    我没有尝试解锁。 Uniflash 似乎无法与 XDS560配合使用...?

    我将检查 R Bias

    感谢您的快速回答!
  • 请注意,本文内容源自机器翻译,可能存在语法或其它翻译错误,仅供参考。如需获取准确内容,请参阅链接中的英语原文或自行翻译。
    您好、Charles、

    感谢您的快速响应。

    我将尝试安装电阻器、并告诉您...
  • 请注意,本文内容源自机器翻译,可能存在语法或其它翻译错误,仅供参考。如需获取准确内容,请参阅链接中的英语原文或自行翻译。
    您好、Bruno 和 Charles、


    R Bias 解决了问题!

    非常感谢您的帮助

    ===
  • 请注意,本文内容源自机器翻译,可能存在语法或其它翻译错误,仅供参考。如需获取准确内容,请参阅链接中的英语原文或自行翻译。
    很高兴您的问题得到解决。
  • 请注意,本文内容源自机器翻译,可能存在语法或其它翻译错误,仅供参考。如需获取准确内容,请参阅链接中的英语原文或自行翻译。
    通过 Rbias (4条 JTAG 信号线路中的3条)解决问题时(似乎)、可能会证明过度使用47k。 (这可能在"实验室"中工作-或在 MCU 处于"理想条件"时工作-但(通常情况下)证明"容易出现问题"。) 您的单个10K -具有 JTAG 上拉 crüe -应该有"triplet brothers"-不应该有? (即10K 反复以47k 作为上拉电阻器...)
  • 请注意,本文内容源自机器翻译,可能存在语法或其它翻译错误,仅供参考。如需获取准确内容,请参阅链接中的英语原文或自行翻译。

    感谢您的输入 CB1!